मुख्यपृष्ठ > उत्पादने > नट > गोल नट > Slotted परिपत्रक नट
        Slotted परिपत्रक नट
        • Slotted परिपत्रक नटSlotted परिपत्रक नट
        • Slotted परिपत्रक नटSlotted परिपत्रक नट

        Slotted परिपत्रक नट

        चायना Xiaoguo® स्लॉटेड वर्तुळाकार नट विविध कठोर वातावरणाचा सामना करण्यास सक्षम आहे आणि स्टेनलेस स्टील सामग्री सहजपणे हाताळू शकते. हे उत्पादनाचा उत्कृष्ट गंज प्रतिकार आहे. स्लॉटेड गोलाकार नट पुरवठादार तुम्हाला उच्च-गुणवत्तेची उत्पादने प्रदान करतील.

        चौकशी पाठवा

        उत्पादन वर्णन

        समस्या हाताळण्याची प्रक्रिया

        स्लॉटेड सर्कुलर नटच्या सामान्य समस्यांबद्दल, ही एक पद्धतशीर हाताळणी प्रक्रिया आहे जी तुम्हाला समस्या लवकर ओळखण्यात आणि त्यांचे निराकरण करण्यात मदत करेल.

        (1) समस्या ओळखा

        व्हिज्युअल तपासणी: नट सैल आहेत का, धागे गंजले आहेत किंवा घसरले आहेत का आणि स्लॉटमध्ये काही तडे किंवा विकृती आहेत का ते तपासा.

        फील टेस्ट: सुरक्षित स्थितीत, नट मॅन्युअली फिरवण्याचा प्रयत्न करा आणि काही स्पष्ट प्रतिकार किंवा रोटेशनल गॅप असल्यास निरीक्षण करा.

        उपकरणे अभिप्राय: कोणतेही असामान्य कंपन, असामान्य आवाज किंवा उपकरणाचे अस्थिर ऑपरेशन आहे की नाही याकडे लक्ष द्या.

        व्यावसायिक साधन: टॉर्क रेंच वापरून यादृच्छिक तपासणी करा.

        (२) दोष निदान

        नट सैल आहे.

        स्क्रू निघणार नाही.

        धागा पोशाख

        नट तुटले आहे.

        स्लॉट नुकसान

        (३) दुरुस्ती करा

        थेट दुरुस्ती: सैल भाग आणि किरकोळ गंजण्यासाठी, वंगण आणि पुन्हा घट्ट करणे थेट केले जाऊ शकते.

        नवीन भागांसह बदला: गंभीरपणे खराब झालेले धागे, खराब झालेले किंवा तुटलेले खोबणी असलेल्या नट्ससाठी ते थेट बदलले पाहिजेत.

        मानक ऑपरेटिंग प्रक्रिया: ऑपरेट करताना, नेहमी योग्य साधने वापरा आणि मानक टॉर्कचे अनुसरण करा.

        Slotted Circular Nut

        कंपनी उत्पादन क्षमता

        उच्च गुणवत्ता आणि उच्च उत्पादन क्षमता सुनिश्चित करण्यासाठी प्रगत उत्पादन तंत्रे आणि उपकरणे हा पाया आहे याची आम्हाला चांगली जाणीव आहे. म्हणून, आम्ही प्रगत धातू तयार करण्याचे तंत्र सादर केले आहे. साच्यांद्वारे, नटांचा मूळ आकार तयार करण्यासाठी धातूच्या रॉड्सना प्लास्टिक विकृत केले जाते आणि कार्यक्षम आणि अचूक स्लॉटिंग प्रक्रिया साध्य करण्यासाठी स्वयंचलित स्लॉटिंग प्रक्रिया स्वीकारली जाते. एकात्मिक उत्पादन लाइन कच्च्या मालापासून ते तयार उत्पादनांपर्यंत संपूर्ण प्रक्रिया स्वतंत्रपणे तयार करण्यास सक्षम करते. त्याच वेळी, आम्ही स्लॉटेड गोलाकार नटच्या संपूर्ण उत्पादन प्रक्रियेचे परीक्षण आणि मागोवा ठेवण्यासाठी चाचणी उपकरणे आणि पूर्ण-प्रक्रिया गुणवत्ता नियंत्रण प्रणालीसह सुसज्ज आहोत.

        Slotted Circular Nut

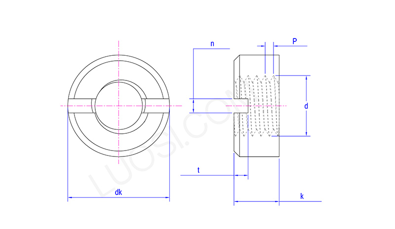
        सोम M3.5 M4 M5 M6 M8 M10 M12 M14 M16 M18 M20
        P 0.6 0.7 0.8 1 1.25 1.5 1.75 2 2 2.5 2.5
        dk कमाल 7 8 9 11 14 18 21 24 26 29 32
        dk मि 6.64 7.64 8.64 10.57 13.57 17.57 20.48 23.48 25.48 28.48 31.38
        k कमाल 3 3.5 4.2 5 6.5 8 10 11 12 13 14
        k मि 2.75 3.2 3.9 4.7 6.14 7.64 9.64 10.57 11.57 12.57 13.57
        n मि 1.46 1.46 2.06 2.56 3.06 3.57 4.07 4.07 4.07 4.07 5.07
        n कमाल 1.71 1.71 2.31 2.81 3.31 3.87 4.37 4.37 4.37 4.37 5.37
        t मि 1 1.2 15 2 2.5 3.2 3.8 3.8 3.8 4.8 4.8
        t कमाल 1.40 1.60 1.90 2.4 3 3.7 4.3 4.3 4.3 5.5 5.5

        वारंवार विचारले जाणारे प्रश्न

        (1) स्लॉटेड गोलाकार नट साठी सामान्य मानक वैशिष्ट्ये काय आहेत?

        सामान्य मानकांमध्ये हे समाविष्ट आहे: GB/T 812 (चीनी राष्ट्रीय मानक), DIN 981 (जर्मन मानक, सहसा लॉकिंग बियरिंगसाठी वापरले जाते), DIN 1804, आणि ANSI/ABMA 8.2 (अमेरिकन मानक), इ.

        (2) नट पुन्हा वापरता येईल का?

        होय, जोपर्यंत थ्रेड आणि नटचा स्लॉट यांसारखी रचना खराब होत नाही तोपर्यंत नट बॉडीचा पुन्हा वापर केला जाऊ शकतो.

        (3) काजूसाठी शिफारस केलेला देखभाल कालावधी काय आहे?

        महिन्यातून एकदा देखावा तपासणी करण्याची शिफारस केली जाते; आणि प्रत्येक तिमाहीत व्यावसायिक साधनांचा वापर करून यादृच्छिक पुन्हा कडक तपासणी करा.

        (4) नट तपशील निवडताना सर्वात महत्वाचा डेटा कोणता आहे?

        सर्वात महत्वाचा घटक म्हणजे थ्रेड स्पेसिफिकेशन (नाममात्र व्यास × पिच), आणि शाफ्टच्या थ्रेड स्पेसिफिकेशनशी पूर्णपणे सुसंगत असल्याची खात्री करण्यासाठी खेळपट्टी (जसे की M16×1.5) सत्यापित करणे आवश्यक आहे.


        हॉट टॅग्ज: स्लॉट केलेले परिपत्रक नट, चीन, निर्माता, पुरवठादार, कारखाना
        संबंधित श्रेणी
        चौकशी पाठवा
        कृपया खालील फॉर्ममध्ये तुमची चौकशी करण्यास मोकळ्या मनाने द्या. आम्ही तुम्हाला २४ तासांत उत्तर देऊ.
        X
        आम्ही तुम्हाला एक चांगला ब्राउझिंग अनुभव देण्यासाठी, साइट रहदारीचे विश्लेषण करण्यासाठी आणि सामग्री वैयक्तिकृत करण्यासाठी कुकीज वापरतो. ही साइट वापरून, तुम्ही आमच्या कुकीजच्या वापरास सहमती देता. गोपनीयता धोरण
        नकार द्या स्वीकारा