DIN 1804 नट
        • DIN 1804 नटDIN 1804 नट
        • DIN 1804 नटDIN 1804 नट

        DIN 1804 नट

        चीन पुरवठादार आणि निर्माता Xiaoguo® DIN 1804 नट मध्ये माहिर आहे ज्याचा पुन्हा वापर केला जाऊ शकतो. उत्पादन उच्च किंमत-प्रभावीता देते आणि दीर्घकालीन देखभाल खर्च प्रभावीपणे कमी करू शकते. तुम्ही बल्क डीआयएन 1804 नट्स खरेदी केल्यास, तुम्हाला अधिक अनुकूल किंमत मिळेल.

        चौकशी पाठवा

        उत्पादन वर्णन

        स्थापना साधने

        जरी DIN 1804 नटची रचना साधी असली तरी, योग्य स्थापना ही त्याची लॉकिंग कार्यक्षमता सुनिश्चित करण्याची गुरुकिल्ली आहे.

        (1) कोर टूल: हुक-टाइप रेंच (वापरणे आवश्यक आहे), सामान्य मानक DIN 1810 आहे.

        विविध रूपे आहेत:

        1) वाढलेल्या नाकासह निश्चित प्रकार: DIN 1810 मानकांशी सुसंगत, हा सर्वात जास्त वापरला जाणारा मानक पर्याय आहे.

        2)हिंग्ड/ॲडजस्टेबल प्रकार: एका टूलमध्ये अनेक वैशिष्ट्यांचा समावेश होतो, कामाच्या बदलत्या परिस्थिती असलेल्या परिस्थितींसाठी योग्य.

        3)किट प्रकार: जसे की 8-पीस संच, ज्यामध्ये विविध वैशिष्ट्ये आहेत, केंद्रीकृत व्यवस्थापन आणि वापर सुलभ करणे.

        (2)सहायक साधने: टॉर्क रेंच: लॉकिंग फोर्सचे अचूक नियंत्रण सुनिश्चित करण्यासाठी, अनेक हुक-प्रकारचे पाना चौकोनी टंग इंटरफेससह डिझाइन केलेले आहेत जे टॉर्क रेंचशी कनेक्ट केले जाऊ शकतात. (3)अँटी-लूझिंग ऍक्सेसरीज: ऍन्टी-लूझिंग इफेक्ट प्राप्त करण्यासाठी, नटला लॉकिंग वॉशर किंवा थ्रेड लॉकिंग ॲडेसिव्ह सारख्या संबंधित अँटी-लूझिंग डिव्हाइससह जोडणे आवश्यक आहे.

        DIN 1804 Nut

        स्थापना चरण

        (1) स्थापना करण्यापूर्वी तयारी

        तपशीलांची पुष्टी करा: डीआयएन 1804 नटचे थ्रेड तपशील शाफ्टशी सुसंगत असल्याची खात्री करा.

        साफसफाईची तपासणी: शाफ्ट, नट थ्रेड्स आणि मुख्य वीण पृष्ठभाग पूर्णपणे स्वच्छ करा आणि कोणतेही बुर किंवा नुकसान तपासा.

        लोड-बेअरिंग पृष्ठभागाची पुष्टी करा: स्थापनेदरम्यान, बारीक मशीन केलेल्या पृष्ठभागासह नटची बाजू बेअरिंग किंवा वर्कपीसच्या शेवटच्या बाजूस असणे आवश्यक आहे.

        (2) प्रारंभिक घट्ट करणे

        मॅन्युअल इन्सर्शन: नटला शाफ्टच्या टोकासह अगोदर संरेखित करा आणि नंतर 2 ते 3 वळणांसाठी हाताने घाला.

        (३) अँटी-लूजिंग डिव्हाइस

        अँटी-लूझिंग स्कीमनुसार लॉकिंग वॉशर स्थापित करा (आतील जीभ शाफ्टवरील की-वेशी संरेखित असावी) किंवा थ्रेड लॉकिंग ॲडेसिव्ह लावा.

        (4) अंतिम घट्ट करणे

        हुक रेंचचे बाहेर आलेले नाक नटच्या खोबणीत काळजीपूर्वक घाला (लक्षात घ्या की M45x1.5 स्पेसिफिकेशनपासून सुरुवात करून, नटमध्ये 6 खोबणी आहेत आणि आपल्याला अधिक समान रीतीने बल लागू करणे आवश्यक आहे)

        (5) लॉकिंग आणि पुष्टीकरण

        मेकॅनिकल अँटी-लूझिंग (लॉकिंग रिंग) वापरणे: नट घट्ट केल्यानंतर, रिंगची बाहेरील जीभ वाकवा आणि यांत्रिक लॉकिंग साध्य करण्यासाठी नटच्या कोणत्याही स्लॉटमध्ये घाला.

        केमिकल अँटी-लूझिंग (थ्रेड लॉकिंग ॲडेसिव्ह) वापरा: थ्रेड्स साफ केल्यानंतर आणि घट्ट होण्यापूर्वी ते लावा आणि ते बरे होण्याची प्रतीक्षा करा.

        अंतिम तपासणी: टॉर्क पुन्हा तपासण्यासाठी टॉर्क रेंच वापरा.

        DIN 1804 Nut

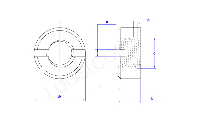
        सोम M3.5 M4 M5 M6 M8 M10 M12 M14 M16 M18 M20
        P 0.6 0.7 0.8 1 1.25 1.5 1.75 2 2 2.5 2.5
        dk कमाल 7 8 9 11 14 18 21 24 26 29 32
        dk मि 6.64 7.64 8.64 10.57 13.57 17.57 20.48 23.48 25.48 28.48 31.38
        k कमाल 3 3.5 4.2 5 6.5 8 10 11 12 13 14
        k मि 2.75 3.2 3.9 4.7 6.14 7.64 9.64 10.57 11.57 12.57 13.57
        n मि 1.46 1.46 2.06 2.56 3.06 3.57 4.07 4.07 4.07 4.07 5.07
        n कमाल 1.71 1.71 2.31 2.81 3.31 3.87 4.37 4.37 4.37 4.37 5.37
        t मि 1 1.2 15 2 2.5 3.2 3.8 3.8 3.8 4.8 4.8
        t कमाल 1.40 1.60 1.90 2.4 3 3.7 4.3 4.3 4.3 5.5 5.5

        स्थापना सूचना

        (1)लोड-बेअरिंग पृष्ठभागांमध्ये गोंधळ घालू नका: बारीक मशिन केलेला d3 पृष्ठभाग जवळच्या संपर्कात असल्याची खात्री करा, खडबडीत पृष्ठभाग टूल ऑपरेशनच्या दिशेने तोंड देत आहे.

        (2) टॉर्क मूल्य निर्णायक महत्त्व आहे: जास्त प्रमाणात टॉर्क थ्रेड्सला हानी पोहोचवू शकतो किंवा शाफ्ट विकृत होऊ शकतो; अपर्याप्तपणे उच्च टॉर्कचा परिणाम अपुरा प्री-टाइटनिंग फोर्समध्ये होतो, ज्यामुळे DIN 1804 नट सैल होण्याची शक्यता असते.

        (3) साधनांचा योग्य वापर: स्लॉटचे नुकसान टाळण्यासाठी सॉकेट रेंचचा आकार नटच्या बाह्य व्यासाशी तंतोतंत जुळतो याची खात्री करा.

        (4) प्रीलोड फोर्स विचारात घेतले पाहिजे: बेअरिंग प्रीलोडसाठी वापरताना, व्यावसायिक पद्धती वापरून प्रीलोड फोर्स अचूकपणे सेट करणे आवश्यक आहे.

        (5)नियमित तपासणी: उपकरणांच्या सुरुवातीच्या ऑपरेशन दरम्यान किंवा मोठ्या दुरुस्तीनंतर, नटांच्या लॉकिंग स्थितीची नियमित तपासणी करणे आवश्यक आहे जेणेकरून ते सैल होऊ नये.

        हॉट टॅग्ज: DIN 1804 नट, चीन, निर्माता, पुरवठादार, कारखाना
        संबंधित श्रेणी
        चौकशी पाठवा
        कृपया खालील फॉर्ममध्ये तुमची चौकशी करण्यास मोकळ्या मनाने द्या. आम्ही तुम्हाला २४ तासांत उत्तर देऊ.
        X
        आम्ही तुम्हाला एक चांगला ब्राउझिंग अनुभव देण्यासाठी, साइट रहदारीचे विश्लेषण करण्यासाठी आणि सामग्री वैयक्तिकृत करण्यासाठी कुकीज वापरतो. ही साइट वापरून, तुम्ही आमच्या कुकीजच्या वापरास सहमती देता. गोपनीयता धोरण
        नकार द्या स्वीकारा