GB 812 नट
        • GB 812 नटGB 812 नट
        • GB 812 नटGB 812 नट

        GB 812 नट

        Xiaoguo® हे GB 812 नट चा चीन पुरवठादार आहे ज्यात उत्कृष्ट सामर्थ्य आणि टिकाऊपणा आहे. उत्पादन स्वतःच अत्यंत जड भार सहन करू शकते आणि त्याच्या क्षमतेनुसार सर्वोत्तम कामगिरी करू शकते आणि दीर्घकालीन वापरादरम्यान ते विकृत होण्याची शक्यता नाही. कृपया प्रगत GB 812 नट निवडण्याचा प्रयत्न करा. तुम्हाला नक्कीच सुखद आश्चर्य वाटेल!

        चौकशी पाठवा

        उत्पादन वर्णन

        कारखाना तपासणी आयटम

        उत्पादित नटांची विश्वासार्हता सुनिश्चित करण्यासाठी, आम्ही GB 812 नट मानकांनुसार कठोरपणे चाचण्या करू. चाचण्या चार प्रमुख पैलूंवर लक्ष केंद्रित करतील: आकार, कार्यप्रदर्शन, साहित्य आणि देखावा.

        (1) परिमाण आणि अचूकता तपासणी

        आकाराचे परिमाण मापन: नटचा बाह्य व्यास, आतील व्यास आणि एकूण उंची मोजा. मोजलेली मूल्ये सहिष्णुता श्रेणीपेक्षा जास्त नसावी आणि रेकॉर्डसाठी फोटो घेतले पाहिजेत.

        स्लॉट आकार तपासणी: खोबणी किंवा खाचची रुंदी, खोली आणि व्यास तपासा जेणेकरून ते उपकरण वापरल्या जाणाऱ्या उपकरणामध्ये योग्य असेल याची खात्री करा.

        (2) थ्रेड अचूकता तपासणी

        थ्रेड गेज तपासणी: चाचणी "थ्रेड गेज (GO)" आणि "स्टॉप गेज (NO-GO)" वापरून घेतली जाते. पात्र मानक खालीलप्रमाणे आहे: थ्रेड गेज सहजतेने आणि पूर्णपणे घातला जाऊ शकतो, तर स्टॉप गेज जास्तीत जास्त 2 वळणांवर घातला जाऊ शकतो.

        थ्रेड पॅरामीटर मापन: अचूक साधनांचा वापर करून, थ्रेडचा सरासरी व्यास, पिच विचलन आणि हेलिक्स कोन आणखी मोजले जातात.

        GB 812 Nut

        (3) यांत्रिक कामगिरी चाचणी

        कडकपणा चाचणी: GB 812 नटच्या शेवटच्या चेहऱ्यावर किंवा बाजूला कडकपणा मोजण्यासाठी Rockwell (HRC), Brinell (HBW) किंवा Vickers (HV) हार्डनेस टेस्टर वापरा.

        इतर कार्यप्रदर्शन चाचण्या: अनुप्रयोगाच्या आवश्यकतांवर अवलंबून, त्याच्या यांत्रिक गुणधर्मांचे सर्वसमावेशक मूल्यमापन करण्यासाठी अतिरिक्त चाचण्या जसे की तन्य शक्ती, प्रभाव कडकपणा आणि थकवा जीवन देखील आयोजित केल्या जाऊ शकतात.

        (4) पृष्ठभागाची गुणवत्ता आणि सामग्रीची तपासणी

        मटेरिअल कंपोझिशन ॲनालिसिस: स्पेक्ट्रोस्कोपिक ॲनालिसिससारख्या पद्धतींद्वारे नटची सामग्री तपासली गेली.

        पृष्ठभाग उपचार तपासणी:

        स्वरूप आणि दोष: व्हिज्युअल तपासणी किंवा भिंग वापरून चांगल्या प्रकाशाखाली तपासा. क्रॅक, बरर्स, फोल्ड, गंज इत्यादी, जे ताकदीवर परिणाम करू शकतात, उपस्थित नसावेत.

        कोटिंगची गुणवत्ता: उत्पादनावर गॅल्वनायझेशन, ब्लॅकनिंग किंवा डॅक्रोमेट कोटिंग यांसारखे उपचार केले गेले असल्यास, कोटिंगची जाडी (जाडी मापक वापरून), आसंजन (जसे की स्क्रॅच चाचणी), आणि गंज प्रतिरोधकता (मीठ स्प्रे चाचणीद्वारे) तपासणे आवश्यक आहे.

        GB 812 Nut

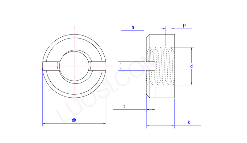
        सोम M3.5 M4 M5 M6 M8 M10 M12 M14 M16 M18 M20
        P 0.6 0.7 0.8 1 1.25 1.5 1.75 2 2 2.5 2.5
        dk कमाल 7 8 9 11 14 18 21 24 26 29 32
        dk मि 6.64 7.64 8.64 10.57 13.57 17.57 20.48 23.48 25.48 28.48 31.38
        k कमाल 3 3.5 4.2 5 6.5 8 10 11 12 13 14
        k मि 2.75 3.2 3.9 4.7 6.14 7.64 9.64 10.57 11.57 12.57 13.57
        n मि 1.46 1.46 2.06 2.56 3.06 3.57 4.07 4.07 4.07 4.07 5.07
        n कमाल 1.71 1.71 2.31 2.81 3.31 3.87 4.37 4.37 4.37 4.37 5.37
        t मि 1 1.2 15 2 2.5 3.2 3.8 3.8 3.8 4.8 4.8
        t कमाल 1.40 1.60 1.90 2.4 3 3.7 4.3 4.3 4.3 5.5 5.5

        पॅकेजिंग

        GB 812 नटच्या फॅक्टरी पॅकेजिंगसाठी, आम्ही GB/T 90.2 मानकांचे पालन करू. मुख्य आवश्यकता म्हणजे उत्पादन लेबले पूर्ण आहेत, पॅकेजिंग मजबूत आहे आणि ते वाहतूक आणि स्टोरेज दरम्यान पर्यावरणीय प्रभावांना तोंड देऊ शकते याची खात्री करणे आहे.

        (1) अँटी-रस्ट ट्रीटमेंट: कोटिंग नसलेली उत्पादने अँटी-रस्ट एजंटने लेपित केली पाहिजेत.

        (2) पॅकेजिंग फॉर्म: एकाधिक प्लास्टिक बॉक्स/पिशव्या, अँटी-रस्ट बॅग/फिल्म. बाह्य पॅकेजिंग सामान्यत: विणलेल्या पिशव्या, पुठ्ठा बॉक्स किंवा लाकडी पेटीपासून बनविले जाते (निर्यात सारख्या विशेष आवश्यकतांसाठी, कस्टम पॅकेजिंग वापरले जाऊ शकते)

        (3)पॅकेजिंग सामर्थ्य: वैज्ञानिक, बळकट आणि किफायतशीर तत्त्वांचे पालन करते, वाहतुकीदरम्यान होणारे नुकसान टाळते (आम्ही तुमच्याबरोबर विशिष्ट तपशील निश्चित करू)

        (4)लेबल सामग्री: उत्पादक, उत्पादनाचे नाव, मानक चिन्ह, प्रमाण/निव्वळ वजन, उत्पादनाची तारीख, गुणवत्ता चिन्ह इ.

        5)लेबल स्वरूप: कोणतेही निर्बंध नाहीत (मुद्रण/एम्बॉसिंग/टिथरिंग/स्टिकिंग सर्व स्वीकार्य आहेत)

        हॉट टॅग्ज: जीबी 812 नट, चीन, निर्माता, पुरवठादार, कारखाना
        संबंधित श्रेणी
        चौकशी पाठवा
        कृपया खालील फॉर्ममध्ये तुमची चौकशी करण्यास मोकळ्या मनाने द्या. आम्ही तुम्हाला २४ तासांत उत्तर देऊ.
        X
        आम्ही तुम्हाला एक चांगला ब्राउझिंग अनुभव देण्यासाठी, साइट रहदारीचे विश्लेषण करण्यासाठी आणि सामग्री वैयक्तिकृत करण्यासाठी कुकीज वापरतो. ही साइट वापरून, तुम्ही आमच्या कुकीजच्या वापरास सहमती देता. गोपनीयता धोरण
        नकार द्या स्वीकारा