स्लॉटसह गोल नट
        • स्लॉटसह गोल नटस्लॉटसह गोल नट
        • स्लॉटसह गोल नटस्लॉटसह गोल नट

        स्लॉटसह गोल नट

        स्लॉटसह चीनमध्ये बनवलेले Xiaoguo® राउंड नट राष्ट्रीय मानक GB812, जर्मन मानक DIN 981 आणि आंतरराष्ट्रीय मानक ISO 7718 चे पालन करते. त्यामुळे, उत्पादनाचा आकार आणि धागा अचूकता काटेकोरपणे नियंत्रित आणि शोधण्यायोग्य आहे. स्लॉट फ्री सॅम्पलसह गोल नट आम्ही आमच्या सहकार्याच्या सुरुवातीच्या काळात तुम्हाला हा नमुना प्रदान करू.

        चौकशी पाठवा

        उत्पादन वर्णन

        सानुकूलित प्रक्रिया

        स्लॉटसह नॉन-स्टँडर्ड राउंड नटसाठी नेहमीची कस्टमायझेशन प्रक्रिया आहे:

        (1) मागणी संप्रेषण: उत्पादनाची कार्ये, परिमाणे, साहित्य इत्यादींच्या आवश्यकता स्पष्टपणे परिभाषित करा.

        (2)रेखांकन पुष्टीकरण: 2D/3D रेखाचित्रे प्रदान करा आणि परिमाणे आणि सहनशीलतेची पुष्टी करण्यासाठी अभियंत्यांशी संवाद साधा.

        (3)नमुना उत्पादन: नमुने तयार करण्यासाठी साचा तयार केला जातो आणि ते चाचण्या आणि सत्यापन उत्तीर्ण झाल्यानंतर, ग्राहकांना फोटो आणि व्हिडिओ प्रदान केले जातील.

        (4) मोठ्या प्रमाणात उत्पादन: ग्राहकाने नमुना पात्र असल्याची पुष्टी केल्यानंतर, मोठ्या प्रमाणात उत्पादनाची अवस्था सुरू होते.

        (5)डिलिव्हरीच्या वेळी गुणवत्ता तपासणी: शिपमेंटपूर्वी कठोर तपासणी केली जाते आणि मालासह गुणवत्ता अहवाल प्रदान केले जातात.

        Round Nut with Slot

        सानुकूल करण्यायोग्य मुख्य पैलू

        स्लॉटसह गोल नटसाठी नॉन-स्टँडर्ड कस्टमायझेशन सेवा खूप परिपक्व आहे. जवळजवळ सर्व मुख्य पॅरामीटर्स आपल्या वास्तविक वापरानुसार लवचिकपणे समायोजित केले जाऊ शकतात.

        (1) परिमाणे आणि तपशील:

        पूर्ण-आकार समायोजन: बाह्य व्यास, आतील व्यास आणि जाडी (उंची) सर्व सानुकूलित केले जाऊ शकतात.

        स्पेशलाइज्ड कस्टमायझेशन: नट्सच्या लांबलचक, स्टेप्ड, ब्लाइंड-होल प्रकार इत्यादीसारख्या सानुकूलित आवृत्त्या दिल्या जाऊ शकतात.

        (2) थ्रेड पॅरामीटर्स:

        वैविध्यपूर्ण थ्रेड मानक: सामान्यतः वापरल्या जाणाऱ्या मेट्रिक बारीक धाग्यांव्यतिरिक्त, ते मेट्रिक खडबडीत धागे, अमेरिकन मानक धागे आणि ब्रिटिश मानक धागे इत्यादींना देखील समर्थन देते.

        विशेष थ्रेड प्रकार: थ्रेड आवश्यकतेनुसार सानुकूलित केले जाऊ शकतात.


        (३) साहित्य निवड:

        धातूचे साहित्य: कार्बन स्टील, मिश्र धातु स्टील, स्टेनलेस स्टील, पितळ, ॲल्युमिनियम मिश्र धातु, टायटॅनियम मिश्र धातु इ.

        नॉन-मेटलिक साहित्य: काही विशेष अनुप्रयोगांसाठी, नायलॉन आणि पीईके वापरल्या जाऊ शकतात.

        (४) यांत्रिक गुणधर्म:

        सामर्थ्य श्रेणी: स्लॉटसह गोल नटसाठी सानुकूल करण्यायोग्य पर्यायांमध्ये विविध कार्यप्रदर्शन आवश्यकता पूर्ण करण्यासाठी डिझाइन केलेले 4.8, 8.8, 10.9 आणि 12.9 सारख्या ग्रेडचा समावेश आहे.

        यांत्रिक निर्देशक: वास्तविक आवश्यकतांनुसार सानुकूलित केले जाऊ शकते.

        (५) पृष्ठभाग उपचार:

        गॅल्वनाइझिंग, ब्लॅकनिंग, डॅक्ट्रॉन कोटिंग आणि निकेल प्लेटिंग यासारख्या प्रक्रियांचा समावेश आहे.

        (6) स्लॉट-प्रकार डिझाइन:

        अँटी-लूझिंग किंवा इन्स्टॉलेशनच्या आवश्यकतांनुसार, स्लॉट्सच्या वेगवेगळ्या संख्या, रुंदी, खोली किंवा विशेष आकारांची रचना केली जाऊ शकते.

        (7)नॉन-स्टँडर्ड स्टँडर्ड्स: नॅशनल स्टँडर्ड्स (GB), जर्मन स्टँडर्ड्स (DIN), अमेरिकन स्टँडर्ड्स (ANSI), आणि जपानी स्टँडर्ड्स (JIS) यासारख्या विविध स्टँडर्ड सिस्टम्ससाठी नॉन-स्टँडर्ड आवृत्त्यांचे रूपांतरण समर्थन करा.

        Round Nut with Slot

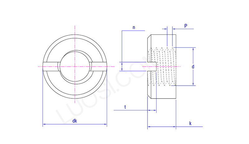
        सोम M3.5 M4 M5 M6 M8 M10 M12 M14 M16 M18 M20
        P 0.6 0.7 0.8 1 1.25 1.5 1.75 2 2 2.5 2.5
        dk कमाल 7 8 9 11 14 18 21 24 26 29 32
        dk मि 6.64 7.64 8.64 10.57 13.57 17.57 20.48 23.48 25.48 28.48 31.38
        k कमाल 3 3.5 4.2 5 6.5 8 10 11 12 13 14
        k मि 2.75 3.2 3.9 4.7 6.14 7.64 9.64 10.57 11.57 12.57 13.57
        n मि 1.46 1.46 2.06 2.56 3.06 3.57 4.07 4.07 4.07 4.07 5.07
        n कमाल 1.71 1.71 2.31 2.81 3.31 3.87 4.37 4.37 4.37 4.37 5.37
        t मि 1 1.2 15 2 2.5 3.2 3.8 3.8 3.8 4.8 4.8
        t कमाल 1.40 1.60 1.90 2.4 3 3.7 4.3 4.3 4.3 5.5 5.5
        हॉट टॅग्ज: स्लॉटसह गोल नट, चीन, निर्माता, पुरवठादार, कारखाना
        संबंधित श्रेणी
        चौकशी पाठवा
        कृपया खालील फॉर्ममध्ये तुमची चौकशी करण्यास मोकळ्या मनाने द्या. आम्ही तुम्हाला २४ तासांत उत्तर देऊ.
        X
        आम्ही तुम्हाला एक चांगला ब्राउझिंग अनुभव देण्यासाठी, साइट रहदारीचे विश्लेषण करण्यासाठी आणि सामग्री वैयक्तिकृत करण्यासाठी कुकीज वापरतो. ही साइट वापरून, तुम्ही आमच्या कुकीजच्या वापरास सहमती देता. गोपनीयता धोरण
        नकार द्या स्वीकारा