शाफ्ट नट
        • शाफ्ट नटशाफ्ट नट
        • शाफ्ट नटशाफ्ट नट

        शाफ्ट नट

        चीनमध्ये बनवलेल्या Xiaoguo® कस्टमाइज्ड शाफ्ट नटचे स्लॉट डिझाइन विशेषत: समर्पित साधनांशी सुसंगत होण्यासाठी तयार केले आहे, नवीन शाफ्ट नट निवडल्याने असेंबली कार्यक्षमता लक्षणीयरीत्या वाढेल. स्थापना आणि वेगळे करणे अत्यंत सोयीस्कर बनते.

        चौकशी पाठवा

        उत्पादन वर्णन

        योग्य पृष्ठभाग उपचार कसे निवडावे?

        शाफ्ट नटसाठी पृष्ठभाग उपचारांची निवड प्रामुख्याने विशिष्ट वापर वातावरण, बजेट आणि कार्यप्रदर्शन आवश्यकतांवर अवलंबून असते.

        (1)बजेटला प्राधान्य, कोरडे इनडोअर वातावरण: पसंतीचा पर्याय म्हणजे इलेक्ट्रो-गॅल्वनाइजिंग.

        (2)कठोर बाहेरची परिस्थिती / उच्च गंज प्रतिकार: प्राधान्य असलेले पर्याय हॉट-डिप गॅल्वनाइजिंग किंवा इलेक्ट्रोलेस निकेल प्लेटिंग आहेत.

        (3)उच्च-शक्तीचे फास्टनर्स (ग्रेड 10.9 आणि वरील): अशी प्रक्रिया निवडणे आवश्यक आहे ज्यामध्ये हायड्रोजन भ्रष्ट होण्याचा धोका नाही, जसे की डॅक्रोमेट किंवा यांत्रिक गॅल्वनायझेशन.

        (४) कोटिंग प्राइमिंगसाठी किंवा घर्षण कमी करण्यासाठी: फॉस्फेटिंग निवडा.

        (5)विशिष्ट देखावा आवश्यकता: मिरर फिनिश इफेक्टसाठी, क्रोम प्लेटिंग निवडले जाऊ शकते; शुद्ध काळा आणि दाट दिसण्यासाठी, इलेक्ट्रोफोरेटिक काळा निवडला जाऊ शकतो.

        (6)विशेष कार्यात्मक आवश्यकता (उच्च तापमान प्रतिरोध / अँटी-स्टिकिंग): टेफ्लॉन कोटिंग निवडा.

        (7)पर्यावरण संरक्षणासाठी अत्यंत वचनबद्ध: आम्ही नवीन पर्यावरणास अनुकूल प्रक्रिया जसे की क्रोम-फ्री डॅक्रोमेट कोटिंग आणि हॉट-डिप झिंक प्लेटिंग वापरण्यास प्राधान्य देतो.

        Shaft Nut

        स्ट्रक्चरल डिझाइन वैशिष्ट्ये

        शाफ्ट नट संरचनेच्या दृष्टीने अचूकपणे डिझाइन केले गेले आहे. त्याची रचना वैशिष्ट्ये प्रामुख्याने थ्रेड, लॉकिंग यंत्रणा आणि आकाराच्या पैलूंमध्ये आहेत.

        (1) थ्रेड डिझाइन

        हे शाफ्ट नटचा पाया म्हणून काम करते आणि कनेक्शनची ताकद आणि अचूकता सुनिश्चित करण्यासाठी महत्त्वपूर्ण आहे.  

        बारीक धागा: सर्व शाफ्ट नट बारीक धाग्याने सुसज्ज आहेत. बारीक थ्रेडचा हेलिक्स कोन लहान आहे, जो उत्कृष्ट स्व-लॉकिंग कार्यप्रदर्शन सुनिश्चित करतो. डायनॅमिक भारांच्या अधीन असलेल्या अनुप्रयोगांसाठी हे विशेषतः योग्य आहे.

        उच्च सुस्पष्टता सहिष्णुता: नटचा अंतर्गत धागा सहसा ISO 965-2 मानक 6H किंवा 5H नुसार तयार केला जातो, तर वीण शाफ्ट धागा 6g ची सहनशीलता वापरण्याची शिफारस केली जाते.

        (2) अँटी-लूझिंग आणि लॉकिंग यंत्रणा

        हा नटच्या "लॉकिंग" फंक्शनचा मुख्य भाग आहे, प्रभावीपणे कंपन आणि प्रभावांचा प्रतिकार करतो.

        स्लॉटेड प्रकार: हे सर्वात क्लासिक डिझाइन आहे. नटच्या बाहेरील वर्तुळावर 4 ते 8 रेडियल स्लॉट्स मशीनिंग करून ते ऍन्टी-लूझिंग प्राप्त करते.

        अक्षीय लॉकिंग स्क्रू: हे डिझाइन नट बॉडीवर लॉकिंग स्क्रू एकत्रित करते. सामान्य लेआउटमध्ये 3, 4 किंवा 8 समान रीतीने वितरित स्क्रू असतात, ज्यामुळे लॉकिंग फोर्सचे एकसमान वितरण सुनिश्चित होते.

        लवचिक विकृती क्लॅम्पिंग: हे एक अत्यंत अचूक डिझाइन आहे. नटच्या मुख्य भागामध्ये "लवचिक डायाफ्राम" किंवा "झिल्ली" रचना असते. स्क्रू घट्ट करताना, पडदा नियंत्रित लवचिक विकृतीतून जातो, परिणामी 360° पूर्ण परिघीय घर्षण प्रतिबद्धता येते.

        अक्षीय आणि दात बेस लॉकिंग: अक्षीय लॉकिंग प्रकाराचे लॉकिंग बल थ्रेडच्या अक्षाच्या समांतर आहे; टूथ बेस लॉकिंग प्रकार थ्रेड बेसच्या (अंदाजे 30° कोनात) लॉकिंग यंत्रणेद्वारे संपर्कात असतो, ज्यामुळे नट बॉडीचे विकृत रूप प्रभावीपणे रोखता येते.


        (3) आकार डिझाइन

        बाह्य डिझाइनची स्थापना सुलभता, ऑपरेशनल जागा आणि देखभालीची सोय ठरवते.

        वर्तुळाकार मुख्य भाग: वर्तुळाकार मुख्य भाग रचना प्रभावीपणे रोटेशनल हस्तक्षेप टाळते.

        स्पेशलाइज्ड टूल इंटरफेस: स्लॉट: मुख्यतः हुक-आकाराच्या रेंचच्या संयोगाने वापरला जातो.

        शेवटचा चेहरा: शेवटच्या पृष्ठभागावर डिझाइन केलेले छिद्र आहेत, जे प्लग रेंच किंवा दंडगोलाकार रॉड वापरून घट्ट केले जाऊ शकतात.

        बेव्हल डिझाइन: मानकांनुसार (जसे की DIN 981), शाफ्ट नट्समध्ये सामान्यत: 30° बेव्हल असते, जे लॉकिंग वॉशरला मार्गदर्शन करण्यास मदत करते आणि इंस्टॉलेशन दरम्यान योग्यरित्या बसणे सोपे करते.

        Shaft Nut


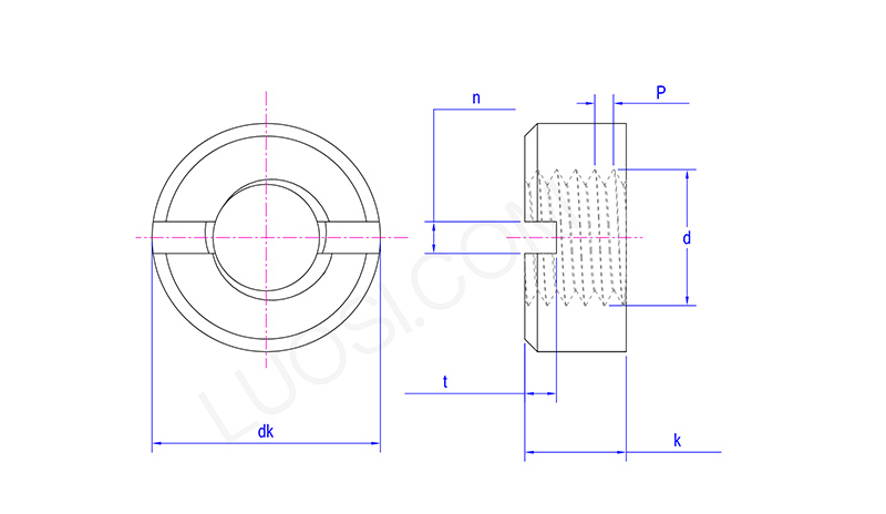
        सोम M3.5 M4 M5 M6 M8 M10 M12 M14 M16 M18 M20
        P 0.6 0.7 0.8 1 1.25 1.5 1.75 2 2 2.5 2.5
        dk कमाल 7 8 9 11 14 18 21 24 26 29 32
        dk मि 6.64 7.64 8.64 10.57 13.57 17.57 20.48 23.48 25.48 28.48 31.38
        k कमाल 3 3.5 4.2 5 6.5 8 10 11 12 13 14
        k मि 2.75 3.2 3.9 4.7 6.14 7.64 9.64 10.57 11.57 12.57 13.57
        n मि 1.46 1.46 2.06 2.56 3.06 3.57 4.07 4.07 4.07 4.07 5.07
        n कमाल 1.71 1.71 2.31 2.81 3.31 3.87 4.37 4.37 4.37 4.37 5.37
        t मि 1 1.2 15 2 2.5 3.2 3.8 3.8 3.8 4.8 4.8
        t कमाल 1.40 1.60 1.90 2.4 3 3.7 4.3 4.3 4.3 5.5 5.5

        हॉट टॅग्ज: शाफ्ट नट, चीन, निर्माता, पुरवठादार, कारखाना
        संबंधित श्रेणी
        चौकशी पाठवा
        कृपया खालील फॉर्ममध्ये तुमची चौकशी करण्यास मोकळ्या मनाने द्या. आम्ही तुम्हाला २४ तासांत उत्तर देऊ.
        X
        आम्ही तुम्हाला एक चांगला ब्राउझिंग अनुभव देण्यासाठी, साइट रहदारीचे विश्लेषण करण्यासाठी आणि सामग्री वैयक्तिकृत करण्यासाठी कुकीज वापरतो. ही साइट वापरून, तुम्ही आमच्या कुकीजच्या वापरास सहमती देता. गोपनीयता धोरण
        नकार द्या स्वीकारा