मेट्रिक हेक्स फ्लेंज नट
      • मेट्रिक हेक्स फ्लेंज नटमेट्रिक हेक्स फ्लेंज नट
      • मेट्रिक हेक्स फ्लेंज नटमेट्रिक हेक्स फ्लेंज नट
      • मेट्रिक हेक्स फ्लेंज नटमेट्रिक हेक्स फ्लेंज नट

      मेट्रिक हेक्स फ्लेंज नट

      मेट्रिक हेक्स फ्लेंज नट हे एक षटकोन नट आहे जे फ्लेंज फेस आहे जे मेट्रिक आकाराचे अनुसरण करते. Xiaoguo® निर्माता मेट्रिक हेक्सागॉन फ्लेंज नट्स प्रदान करते जे मानकांची पूर्तता करतात आणि व्यावसायिक कर्मचारी प्रश्नांची उत्तरे देण्यासाठी नेहमीच उपलब्ध असतात.
      मॉडेल:ASME/ANSI B18.2.4.4M-1982

      चौकशी पाठवा

      उत्पादन वर्णन

      मेकॅनिक्स आणि बांधकाम कामगार उच्च-व्हिब्रेशन वातावरणात मेट्रिक हेक्स फ्लॅंज नट वापरतात. फ्लेंज पृष्ठभाग घट्ट धरून ठेवते, नट सोडण्याचा धोका कमी करते आणि मेट्रिक थ्रेड मानक बोल्ट्सशी जुळते, जेणेकरून आपल्याला विशेष परिमाण सानुकूलित करण्याची आवश्यकता नाही.

      Metric hex flange nut

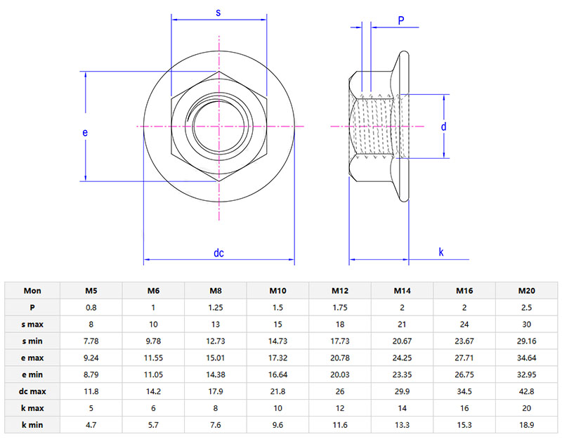
      उत्पादनाचे तपशील आणि पॅरामीटर्स

      मेट्रिक हेक्स फ्लेंज नट हे मानक हेक्स नट आणि अंगभूत फ्लॅंज (वॉशर) चे संयोजन आहे. हे कंपमुळे नट सोडण्यापासून रोखताना पृष्ठभागाचे रक्षण करण्यासाठी दबाव वितरित करू शकते. हे यंत्रसामग्री, वाहने किंवा बांधकामात वापरण्यासाठी स्टील आणि स्टेनलेस स्टीलमध्ये उपलब्ध आहे. फ्लॅन्जेस वेगळ्या गॅस्केटची आवश्यकता दूर करतात, अशा प्रकारे स्थापना वेळ आणि भागांची संख्या जतन करतात.

      शेतकरी आणि कृषी कामगार ट्रॅक्टर, कापणी करणारे आणि सिंचन प्रणालींमध्ये मेट्रिक हेक्स फ्लॅंज नट वापरतात. धूळ किंवा चिखलाच्या वातावरणात नट नटांना रोखण्यापासून फ्लॅन्जेस प्रतिबंधित करते आणि मेट्रिक थ्रेड्स बहुतेक शेतीच्या उपकरणांच्या बोल्टमध्ये फिट असतात. दररोज पोशाख आणि अश्रू सहन करणे इतके मजबूत आहे, तरीही ऑपरेट करणे आणि थेट शेतात बदलणे इतके सोपे आहे. नांगर किंवा धान्य सिलो दुरुस्ती करत असो, हे काजू वापरकर्त्यांना वेळ वाचवतात.

      मेट्रिक हेक्स फ्लॅंज नट इलेक्ट्रॉनिक्स आणि रोबोटिक्समध्ये वापरला जातो. फ्लेंज जास्त कडक न करता पातळ पॅनेल किंवा सर्किट बोर्डवर नट स्थिर ठेवते. मेट्रिक परिमाण अचूक अभियांत्रिकी वैशिष्ट्यांशी अनुरुप असतात, जे अचूक उपकरणांसाठी आवश्यक आहे. छंद आणि व्यावसायिक हे ड्रोन्स, 3 डी प्रिंटर किंवा स्वयंचलित प्रणालींमध्ये वापरतात जिथे कंपन नटांच्या संरेखनात व्यत्यय आणू शकतात.



      Metric hex flange nut

      आमचे बाजार वितरण

      बाजार
      महसूल (मागील वर्ष)
      एकूण महसूल (%)
      उत्तर अमेरिका
      गोपनीय
      15
      दक्षिण अमेरिका
      गोपनीय
      10
      पूर्व युरोप
      गोपनीय
      12
      आग्नेय आशिया
      गोपनीय
      10
      पूर्वेकडील मध्य
      गोपनीय
      7
      पूर्व आशिया
      गोपनीय
      17
      पश्चिम युरोप
      गोपनीय
      15
      दक्षिण आशिया
      गोपनीय
      6
      देशांतर्गत बाजार
      गोपनीय
      8

      देखभाल टिप्स

      गंज किंवा वाकलेल्या फ्लॅन्जेससाठी मेट्रिक हेक्स फ्लॅंज नट तपासा. थ्रेड्स पट्टी किंवा फ्लॅंज क्रॅक असल्यास पुनर्स्थित करा. खारट वातावरणासाठी, स्टेनलेस स्टील निवडा. जर मोडतोड तयार झाल्यास वायर ब्रशसह धागे स्वच्छ करा. प्लास्टिकसारख्या मऊ सामग्रीवर जास्त घट्ट करणे टाळा. पृष्ठभागाच्या विरूद्ध फ्लॅंज फ्लॅट दाबा आणि रेंचने घट्ट करा. असमान स्पॉट्सवर फ्लॅंज सेल्फ-अलाइन. धागे काढून टाकण्यासाठी जड भारांसाठी टॉर्क रेंच वापरा.


      हॉट टॅग्ज: मेट्रिक हेक्स फ्लेंज नट, चीन, निर्माता, पुरवठादार, फॅक्टरी
      संबंधित श्रेणी
      चौकशी पाठवा
      कृपया खालील फॉर्ममध्ये तुमची चौकशी करण्यास मोकळ्या मनाने द्या. आम्ही तुम्हाला २४ तासांत उत्तर देऊ.
      X
      We use cookies to offer you a better browsing experience, analyze site traffic and personalize content. By using this site, you agree to our use of cookies. Privacy Policy
      Reject Accept