PCB बोर्डसाठी हे UN riveted स्टड सहसा चांगल्या स्टील मिश्र धातुपासून बनवले जातात, जसे की लो-कार्बन किंवा स्टेनलेस स्टील, किंवा ॲल्युमिनियम. त्यांच्याकडे घन यांत्रिक सामर्थ्य आहे आणि ते कालांतराने चांगले धरून ठेवतात.
पोलाद सर्वात जास्त तन्य आणि कातरण्याची ताकद देतात. दुसरीकडे, ॲल्युमिनिअम वीज चांगल्या प्रकारे चालवतात आणि हलके असतात.
या स्टडसाठी निवडलेल्या धातूचा अर्थ असा आहे की ते जड यांत्रिक भार हाताळू शकतात, गरम आणि थंड होण्याच्या चक्रांमुळे होणारा ताण आणि उत्पादन वापरात असताना ते पूर्ण वेळ मजबूत राहू शकतात.
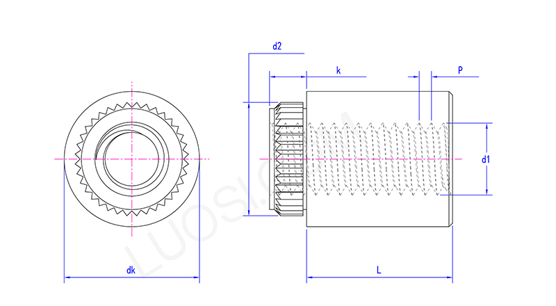
PCB बोर्डसाठी UN riveted स्टड हा कायमस्वरूपी आणि उच्च-शक्तीचा फास्टनर आहे जो मुद्रित सर्किट बोर्ड (PCBs) वर एक विश्वासार्ह बाह्य थ्रेडेड फिक्सेशन पॉइंट प्रदान करण्यासाठी वापरला जातो. येथे, "UN" सामान्यत: "युनिफॉर्म नॅशनल स्टँडर्ड" चे प्रतिनिधित्व करते, त्याच्याकडे असलेल्या प्रमाणित स्क्रू थ्रेड प्रकाराचा संदर्भ देते (जसे की UNC किंवा UNF), जे विविध मानक नट्ससह त्याची सुसंगतता सुनिश्चित करते.
स्थापना प्रक्रिया जलद आणि कार्यक्षम आहे. PCB बोर्डवर प्री-ड्रिल केलेल्या छिद्रामध्ये स्टड घाला. त्यानंतर, स्टडच्या सपाट टोकाला विकृत करण्यासाठी समर्पित रिव्हेटिंग टूल वापरा, ज्यामुळे ते बाहेरील बाजूने विस्तारते आणि स्टडच्या खांद्यावर किंवा स्टडच्या फ्लँजमध्ये घट्ट पकड निर्माण करते, अशा प्रकारे वेल्डिंगची गरज न पडता मजबूत आणि कंपन-प्रतिरोधक कनेक्शन तयार होते.
ही पद्धत विशेषतः अशा परिस्थितींसाठी योग्य आहे ज्यांना मोठ्या यांत्रिक तणावाचा सामना करणे आवश्यक आहे, एकाधिक प्लग-इन ऑपरेशन करावे लागतील किंवा वेल्डिंगद्वारे निर्माण होणारी उष्णता संवेदनशील घटकांना नुकसान करू शकते.
पीसीबी बोर्डसाठी हे यूएन रिव्हेटेड स्टड कोल्ड फॉर्मिंग किंवा रिव्हटिंग पद्धती वापरून ठेवले जातात.
तुम्ही PCB मध्ये प्री-ड्रिल केलेल्या छिद्रातून स्टड चिकटवता. मग एक विशेष रिव्हेटिंग टूल स्टडच्या टांग्याला बोर्डच्या खाली असलेल्या डाईच्या विरूद्ध वाकवते, एक कायमस्वरूपी, भडकलेले लॉक तयार करते जे त्यास जागी ठेवते.
थंड प्रक्रिया पद्धत कमी उष्णता निर्माण करते आणि पीसीबी लॅमिनेट किंवा सर्किटरीला नुकसान करणार नाही. योग्यरित्या स्थापित केल्यावर, सर्किट बोर्डच्या संरचनेशी तडजोड न करता स्टड मजबूत आणि कंपन-प्रतिरोधक निर्धारण प्रदान करतात.

| बाजार | महसूल (मागील वर्ष) | एकूण महसूल (%) |
| उत्तर अमेरिका | गोपनीय | 20 |
| दक्षिण अमेरिका | गोपनीय | 4 |
| पूर्व युरोप | गोपनीय | 24 |
| आग्नेय आशिया | गोपनीय | 2 |
| आफ्रिका | गोपनीय | 2 |
| ओशनिया | गोपनीय | 1 |
| मध्य पूर्व | गोपनीय | 4 |
| पूर्व आशिया | गोपनीय | 13 |
| पश्चिम युरोप | गोपनीय | 18 |
| मध्य अमेरिका | गोपनीय | 6 |
| उत्तर युरोप | गोपनीय | 2 |
| दक्षिण युरोप | गोपनीय | 1 |
| दक्षिण आशिया | गोपनीय | 4 |
| देशांतर्गत बाजार | गोपनीय | 5 |