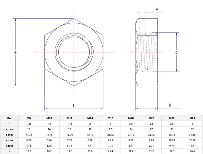
सिंगल चेम्फर्ड षटकोनी पातळ नटबोल्टसह सुलभ संरेखनासाठी सिंगल साइडबँड बेव्हल. हे घट्ट जागेत स्थापित केले आहे आणि त्याच्या चेम्फर डिझाइनमुळे थ्रेड क्रॉसिंगचा धोका कमी होतो. त्याची व्हॉल्यूम मानक नट व्हॉल्यूमपेक्षा लहान आहे, त्यामुळे ते घटक कॉम्पॅक्ट ठेवू शकतात.

कासिंगल चेम्फर्ड षटकोनी पातळ नट? चेम्फर्ड एज - ओपनिंगच्या सभोवतालचा कललेला भाग ज्यामुळे कामगारांना वळणे सोपे होते.नट. अगदी घट्ट जागेतही जिथे तुमच्याकडे हात किंवा साधने जास्त जागा नसतात, चेम्फर नटला बोल्टवर जलद मार्गदर्शन करते. प्रत्येक वेळी बोल्टसह ते पूर्णपणे परिश्रमपूर्वक संरेखित करण्याची गरज नाही; ते अधिक सहजतेने स्लाइड करते, ज्यामुळे तुम्हाला गोष्टी लवकर पूर्ण करता येतात.
सिंगल चेम्फर्ड षटकोनी पातळ नटहे सामान्य काजूपेक्षा वेगळे असते कारण ते पातळ असते आणि जास्त जागा घेत नाही. जवळपास कोणतेही योग्य रेंच माउंट नसले तरीही, आपण ते हाताने किंवा पक्कडाने घट्ट करू शकता. म्हणून, हे सहसा लहान उपकरणे दुरुस्त करण्यासाठी, सायकलचे भाग समायोजित करण्यासाठी किंवा इतर फर्निचर एकत्र करण्यासाठी वापरले जाते.
सिंगल चेम्फर्ड षटकोनी पातळ नटहे सहसा इलेक्ट्रॉनिक्स (सर्किट बोर्ड, सेन्सर), ऑटोमोबाईल्स (डॅशबोर्ड) आणि घरगुती उपकरणांमध्ये स्थापित केले जाते. DIY प्रेमींना ते मॉडेल किट, 3D प्रिंटर किंवा दुरुस्ती प्लेवर स्थापित करणे आवडते. हे कोणत्याही ऍप्लिकेशनमध्ये वापरले जाऊ शकते ज्यासाठी पातळ, अचूक फास्टनिंग आवश्यक आहे.

सिंगल चेम्फर्ड षटकोनी पातळ नटहेवी ड्युटी उपकरणांवर वापरण्यासाठी योग्य नाही. यांत्रिक उपकरणांसाठी, आम्ही शिफारस करतो की आपण जाड नट वापरा. जर धागा अडकला असेल तर आतील भाग स्वच्छ करण्यासाठी वायर ब्रश वापरानट. हे वापरण्यास सोपे आहे परंतु खूप प्रभावी आहे!