मुख्यपृष्ठ > उत्पादने > नट > षटकोनी नट > एमजे थ्रेड लहान षटकोनी पातळ काजू
      एमजे थ्रेड लहान षटकोनी पातळ काजू
      • एमजे थ्रेड लहान षटकोनी पातळ काजूएमजे थ्रेड लहान षटकोनी पातळ काजू
      • एमजे थ्रेड लहान षटकोनी पातळ काजूएमजे थ्रेड लहान षटकोनी पातळ काजू
      • एमजे थ्रेड लहान षटकोनी पातळ काजूएमजे थ्रेड लहान षटकोनी पातळ काजू

      एमजे थ्रेड लहान षटकोनी पातळ काजू

      एमजे थ्रेड स्मॉल हेक्सागॉन पातळ काजू उच्च-गुणवत्तेच्या सामग्रीचे बनलेले आहेत आणि ग्राहकांच्या इलेक्ट्रॉनिक्सच्या असेंब्लीपासून मायक्रोस्ट्रक्चर्सच्या बांधकामापर्यंत विस्तृत अनुप्रयोगांसाठी योग्य आहेत. जर आपण बारीक पिच थ्रेडसह चिनी हेक्सागॉनच्या अतिरिक्त सपाट नटांचा पुरवठादार शोधत असाल तर आपण झिओगू ® निवडू शकता.
      मॉडेल:HB 8243-2002

      चौकशी पाठवा

      उत्पादन वर्णन

      एमजे धागा लहान षटकोनी पातळ काजूएक कॉम्पॅक्ट आणि लो-प्रोफाइल नट आहे. "एमजे थ्रेड" हा एक गोलाकार रूट आणि उत्कृष्ट थकवा प्रतिरोध असलेल्या विशेष मेट्रिक एव्हिएशन थ्रेडचा संदर्भ देते. टूथ प्रोफाइल आणि खेळपट्टीसारखे त्याचे पॅरामीटर्स उच्च-सामर्थ्य आणि उच्च-विश्वासार्हतेच्या कनेक्शनच्या गरजा भागविण्यासाठी अनुकूलित केले गेले आहेत. त्यांचा वापर अचूक अभियांत्रिकीमध्ये केला जातो, जसे की विमान, रेसिंग कार किंवा रोबोट इ.

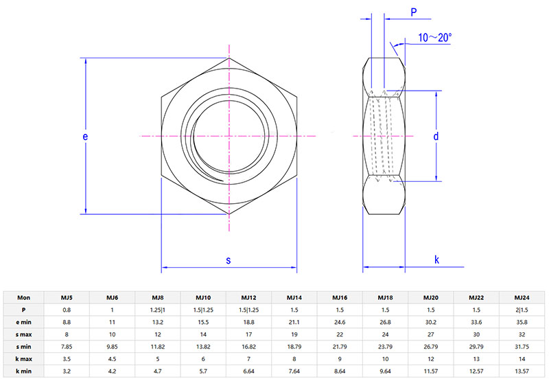
      उत्पादनाचे तपशील आणि पॅरामीटर्स

      MJ thread small hexagon thin nuts


      एमजे थ्रेड लहान हेक्सागॉन पातळ काजू बहुतेकदा एरोस्पेस (जसे की उपग्रह पॅनेल), उच्च-कार्यक्षमता इंजिन किंवा वैद्यकीय उपकरणांमध्ये वापरला जातो. एमजे थ्रेड्स तणाव एकाग्रता कमी करू शकतात, कंपन किंवा चक्रीय भार असलेल्या वातावरणात त्यांचा अनुप्रयोग सक्षम करतात. यांत्रिकी त्यांचा मोटारसायकलींवर वापरतात; अभियंता त्यांचा मानवर रहित हवाई वाहनांसाठी वापरतात.

      पारंपारिक मेट्रिक थ्रेडपेक्षा लहान षटकोन पातळ काजू अधिक टिकाऊ असतात. एमजे थ्रेडचे मूळ परिपत्रक (तीक्ष्ण करण्याऐवजी) असते, ज्यामुळे वारंवार शक्ती अंतर्गत क्रॅक होण्याची शक्यता कमी होते. लहान सहिष्णुतेमुळे, ते देखील चुकीचे ठरविण्याची शक्यता कमी आहे. जर एखाद्या बिघाडामुळे डाउनटाइम किंवा धोक्यात आणले तर त्याऐवजी एमजे थ्रेड्स वापरल्या पाहिजेत. याव्यतिरिक्त, ते वजनात फिकट आहेत आणि एरोस्पेस किंवा रेसिंग क्षेत्रात लागू केले जातात.

      एमजे धागा लहान षटकोनी पातळ काजूउच्च-कार्यक्षमता इंजिन, उपग्रह घटक किंवा वैद्यकीय रोपण वापरले जातात. एमजे थ्रेड्सची सुस्पष्टता घट्ट प्रक्रियेदरम्यान घर्षण कमी करू शकते. ते कठोर वातावरणात गंज प्रतिकार करू शकतात. व्यावसायिक टीप: धागा स्वच्छ करण्यासाठी नायलॉन ब्रश वापरा. मोडतोड सहजपणे एमजे धागा चिकटवू शकतो.




      MJ thread small hexagon thin nuts

      स्थापना टिपा

      स्थापित करताना अचूकता महत्त्वाची आहेएमजे धागा लहान षटकोनी पातळ काजू? हे मानक मेट्रिक थ्रेडपेक्षा पातळ आहे. म्हणून, कृपया एमजे बोल्टच्या संयोजनात वापरा. मिश्रित धाग्यांमुळे दोन्हीवर परिधान होईल. कृपया पातळ षटकोनी काठावर घसरणे टाळण्यासाठी एक सडपातळ पाना किंवा सॉकेट वापरा. की सांध्यासाठी, कृपया थ्रेड लॉकिंग एजंट लागू करा.


      हॉट टॅग्ज: एमजे थ्रेड स्मॉल हेक्सागॉन पातळ काजू, चीन, निर्माता, पुरवठादार, फॅक्टरी
      संबंधित श्रेणी
      चौकशी पाठवा
      कृपया खालील फॉर्ममध्ये तुमची चौकशी करण्यास मोकळ्या मनाने द्या. आम्ही तुम्हाला २४ तासांत उत्तर देऊ.
      X
      We use cookies to offer you a better browsing experience, analyze site traffic and personalize content. By using this site, you agree to our use of cookies. Privacy Policy
      Reject Accept