मुख्यपृष्ठ > उत्पादने > नट > षटकोनी नट > उच्च सामर्थ्य हेक्स काजू
      उच्च सामर्थ्य हेक्स काजू
      • उच्च सामर्थ्य हेक्स काजूउच्च सामर्थ्य हेक्स काजू
      • उच्च सामर्थ्य हेक्स काजूउच्च सामर्थ्य हेक्स काजू
      • उच्च सामर्थ्य हेक्स काजूउच्च सामर्थ्य हेक्स काजू

      उच्च सामर्थ्य हेक्स काजू

      उच्च सामर्थ्य हेक्स नट्स कार्बन स्टील किंवा कार्बन अ‍ॅलोय स्टीलपासून बनविलेले असतात ज्यात कार्बन सामग्री 0.35% ते 0.4% दरम्यान असते. ते मजबूत आणि टिकाऊ आहेत. झियाओग्यूओ निर्माता उच्च सामर्थ्य हेक्स नट्ससाठी आपल्या आवश्यकता पूर्ण करू शकतात आणि एम 12, एम 16, एम 20, एम 24 इ. सारख्या विविध नाममात्र व्यासाचे वैशिष्ट्य प्रदान करू शकतात, जे देखील सानुकूलित केले जाऊ शकतात.
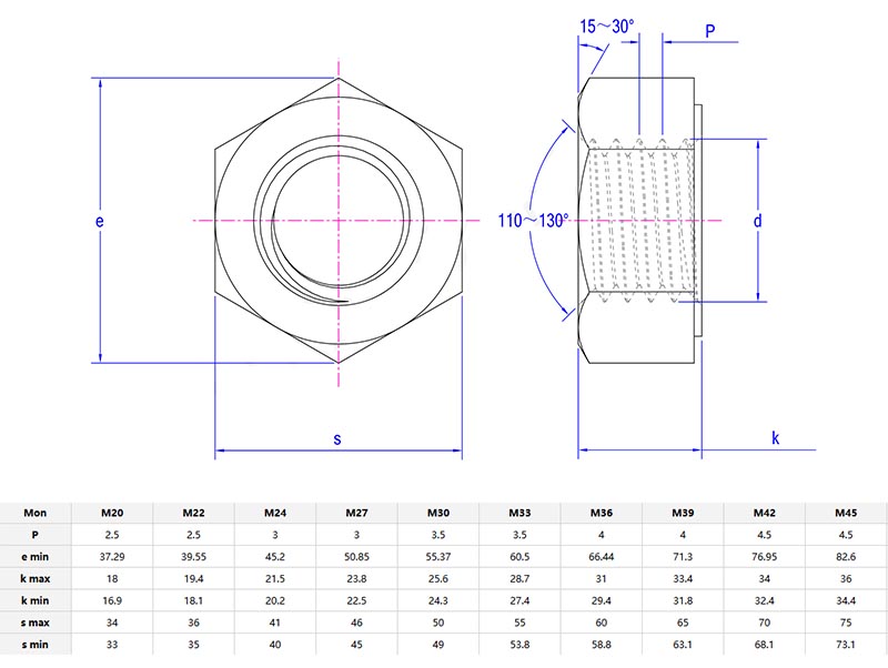
      मॉडेल:GB/T 33943-2017

      चौकशी पाठवा

      उत्पादन वर्णन

      उच्च सामर्थ्य हेक्स काजूभारी भारात ब्रेक लावण्याची शक्यता नाही. त्यांची उष्णता-उपचार केलेली रचना वाकणे प्रतिरोधक आहे आणि दाट डिझाइन नटवर एकसमान शक्ती वितरण सुनिश्चित करते.

      वैशिष्ट्ये आणि पॅरामीटर्स

      High Strength Hex Nuts


      उच्च सामर्थ्य हेक्स नट्सचे मुख्य कार्य बोल्ट्सच्या संयोगाने एकत्रितपणे ऑब्जेक्ट्स एकत्रितपणे निराकरण करण्यासाठी वापरले जावे. हे काजू प्रचंड शक्तींचा सामना करू शकतात. मोठ्या बांधकाम साइटवर, ते मोठ्या स्टीलच्या बीमचे निराकरण करण्यासाठी वापरले जातात. बांधकाम प्रकल्पांमध्ये, जोरदार वारा किंवा भूकंपांचा सामना करतानाही ते इमारती कोसळण्यापासून रोखू शकतात.

      समउच्च सामर्थ्य हेक्स काजूबाहेर घालू. तपासणी करताना, कृपया नटच्या पृष्ठभागावर गंज खड्डे आहेत की नाही आणि धागे सोलून आहेत की नाही हे तपासा. जर नट स्वच्छ बोल्टवर खूप वेगवान फिरत असेल तर ते टाकून द्या. सुरक्षिततेच्या कारणास्तव, त्यास नवीन नटसह बदला. वेगवेगळ्या ग्रेडचे काजू मिसळू नका.

      बांधकाम उद्योगात, स्टील स्ट्रक्चर इमारतींच्या बांधकामासाठी उच्च सामर्थ्य हेक्स नट वापरले जातात. कामगारांनी या काजूसह बीम आणि स्तंभ निश्चित केले आणि ठोस फ्रेम तयार केले. हे काजू सर्व लहान निवासी इमारती आणि मोठ्या व्यावसायिक संरचनांची अखंडता सुनिश्चित करू शकतात. ते इमारती किंवा पुलांवर कार्य करणारे वजन आणि सक्तीचा प्रतिकार करू शकतात आणि ते टिकाऊ आहेत.


      High Strength Hex Nuts

      स्थापना टिपा

      स्थापित करतानाउच्च सामर्थ्य हेक्स काजू, घट्ट करण्यासाठी कॅलिब्रेटेड रेंच वापरा. वैशिष्ट्ये पूर्ण करणारे नट दृढपणे कनेक्ट केले जाऊ शकतात. जास्त घट्ट केल्याने बोल्ट वाढू शकतात, तर घट्टपणा कमी केल्यास संयुक्त अपयश आणि सैल कनेक्शन होते. स्थापित करताना उच्च-सामर्थ्यवान बोल्ट आणि कठोर वॉशर जुळवा. जेव्हा घराबाहेर वापरला जातो तेव्हा कृपया गंजण्यापासून रोखण्यासाठी गॅल्वनाइज्ड किंवा स्टेनलेस स्टील सामग्री निवडा. गंभीर स्थापनेदरम्यान, कृपया या काजू पुनर्स्थित करा आणि त्यांचा पुन्हा वापर करू नका.

      हॉट टॅग्ज: उच्च सामर्थ्य हेक्स नट्स, चीन, निर्माता, पुरवठादार, फॅक्टरी
      संबंधित श्रेणी
      चौकशी पाठवा
      कृपया खालील फॉर्ममध्ये तुमची चौकशी करण्यास मोकळ्या मनाने द्या. आम्ही तुम्हाला २४ तासांत उत्तर देऊ.
      X
      We use cookies to offer you a better browsing experience, analyze site traffic and personalize content. By using this site, you agree to our use of cookies. Privacy Policy
      Reject Accept