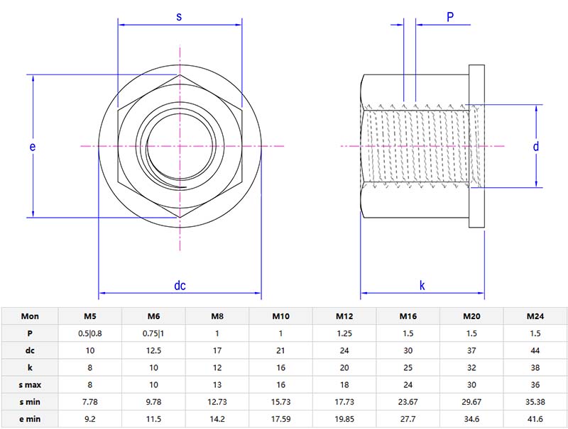
कॉलर सह षटकोनी नटमानक षटकोनी काजू आहे. षटकोनी डोक्याच्या खाली एक विस्तारित दंडगोलाकार कॉलर आहे. कॉलर अतिरिक्त थ्रेड प्रतिबद्धता जोडते आणि बोल्ट थ्रेड्सचे नुकसान होण्यापासून संरक्षण करते. कॉलर अंगभूत वॉशरसारखे कार्य करते.

कॉलर सह षटकोनी नटहे व्यावहारिक फास्टनर्स आहे जेथे कॉलर हेक्स हेडच्या खाली पसरते, तुम्हाला अधिक सुरक्षित पकडण्यासाठी 2-3 अतिरिक्त धागे देतात. मानक षटकोनी आकार सर्व सामान्य रेंचसह वापरला जाऊ शकतो आणि कॉलरची गुळगुळीत किनार कामगारांना स्थापित करणे सोपे करते. मूलभूत नटपेक्षा किंचित जड असले तरी, अंगभूत कॉलर ताकद वाढवते आणि वेगळ्या वॉशर किंवा गॅस्केटची आवश्यकता काढून टाकते. जेव्हा तुम्हाला अतिरिक्त थ्रेड एंगेजमेंटची आवश्यकता असेल किंवा यांत्रिक, बांधकामात उघड झालेल्या तीक्ष्ण कडा कमी करायच्या असतील, तेव्हा आम्ही तुम्हाला आमची निवड करण्याची शिफारस करतो.कॉलर सह षटकोनी नट.

का उचलाकॉलर सह षटकोनी नट?
कॉलर बोल्टला जास्त काळ धरून ठेवते, जड भाराखाली धागा गमावण्याचा धोका कमी करते. हे तीक्ष्ण बोल्टचे टोक देखील कव्हर करू शकते, ज्यामुळे खेळाच्या मैदानावर, फर्निचरवर किंवा उपकरणांवर वापरणे अधिक सुरक्षित होते. फक्त नट स्थापित करणे आवश्यक आहे, कॉलर दुहेरी भूमिका बजावू शकते. बोल्ट लांबी बदलते किंवा थ्रेड्सना संरक्षण आवश्यक असते अशा वातावरणासाठी आदर्श.
कॉलर सह षटकोनी नटऑटोमोटिव्ह (सस्पेंशन सिस्टम, इंजिन माउंट), बांधकाम आणि शेतीमध्ये वापरले जाते. ते फर्निचर असेंब्ली, फिटनेस उपकरणे आणि DIY प्रकल्पांमध्ये देखील वापरले जातात जेथे बोल्ट वारंवार समायोजित केले जातात.
कॉलर सह षटकोनी नटअतिरिक्त थ्रेड सुरक्षा प्रदान करते. कोणत्याही अतिरिक्त शिम्स किंवा कव्हरची आवश्यकता नाही, हे DIY उत्साही किंवा कार्यक्षमतेला प्राधान्य देणाऱ्या उद्योगांसाठी योग्य आहे. हे थोडे अधिक महाग आहे, परंतु ते वेळेची बचत करते आणि वापरलेल्या भागांची संख्या कमी करते.