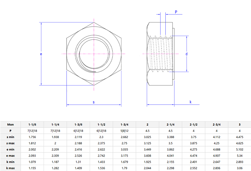
हेवी हेक्स फ्लॅट नटयंत्रणा, बांधकाम किंवा कोणत्याही उद्योगात लागू केले जाते ज्यास मजबूत आणि कमी-प्रोफाइल फास्टनर्सची आवश्यकता असते. सामान्य षटकोनी काजू विपरीत, ते जाड आहेत आणि पृष्ठभागावर सपाट चिकटू शकतात, ज्यामुळे ते मर्यादित जागांसाठी योग्य आहेत.

समहेवी हेक्स फ्लॅट नटबाहेर घालू. क्रॅक, गंज किंवा गोलाकार कडा यासाठी नट तपासा. कोणत्याही नुकसानीचा अर्थ असा आहे की त्यास नवीनसह बदलण्याची आवश्यकता आहे. जर नट स्वच्छ बोल्टवर मुक्तपणे फिरत असेल तर ते सूचित करते की धागा बाहेर पडला आहे. उच्च तापमान आणि तणाव कालांतराने नटची शक्ती कमी करेल. वेगवेगळ्या ग्रेडचे काजू मिसळू नका: जर ए-ग्रेड नट 8-ग्रेड बोल्टवर ठेवली असेल तर त्याचे परिणाम अकल्पनीय असतील.
हेवी हेक्स फ्लॅट नटमोठ्या आकाराच्या काजू स्थापित केल्या जाऊ शकत नाहीत अशा परिस्थितीत महत्त्वपूर्ण भूमिका बजावते. उदाहरणार्थ, कन्व्हेयर बेल्ट्स, कार फ्रेम किंवा मर्यादित जागेसह औद्योगिक उपकरणे. त्यांच्या सपाट पृष्ठभागामुळे प्रोट्रेशन्स कमी होतात, ज्यामुळे पकडणे किंवा खराब होण्याचा धोका कमी होतो. पाइपिंग सिस्टममध्ये ते देखील सामान्य आहेत. कुणालाही काजू नको आहेत आणि मोडतोड जाम. व्यावसायिक टीप: वापराहेवी हेक्स फ्लॅट नटसमान रीतीने भार वितरीत करण्यासाठी फ्लॅट वॉशरच्या संयोजनात. जर आपल्या नोकरीला दोन्ही मजबूत आणि कॉम्पॅक्ट असलेल्या नटांची आवश्यकता असेल तर या प्रकारचे नट आपल्यासाठी योग्य आहे.
बाजार
महसूल (मागील वर्ष)
एकूण महसूल (%)
उत्तर अमेरिका
गोपनीय
15
दक्षिण अमेरिका
गोपनीय 10
25
पूर्व युरोप
गोपनीय
13
आग्नेय आशिया
गोपनीय
5
पूर्वेकडील मध्य
गोपनीय
7
पूर्व आशिया
गोपनीय
13
पश्चिम युरोप
गोपनीय
12
मध्य अमेरिका
गोपनीय
5
दक्षिण आशिया
गोपनीय
10
देशांतर्गत बाजार
गोपनीय
5
स्थापित करतानाहेवी हेक्स फ्लॅट नट, विशिष्टता पूर्ण होईपर्यंत ते घट्ट करण्यासाठी टॉर्क रेंच वापरा. जास्त घट्ट केल्याने धागा पोशाख होऊ शकतो, तर अपुरी घट्ट केल्याने धागा कमी होऊ शकतो. नटांची पृष्ठभाग सपाट आहे, याचा अर्थ ते फ्लश होतील. म्हणून, कृपया ते संरेखित आहेत की नाही ते तपासा. जर पृष्ठभाग गुळगुळीत नसेल तर कृपया स्क्रॅच टाळण्यासाठी गॅस्केट जोडा. याव्यतिरिक्त, की सांध्यावर जुन्या काजूचा पुन्हा वापर करू नका. नुकसान टाळण्यासाठी त्यांना नवीनसह पुनर्स्थित करा.