तळ प्रोजेक्शन वेल्ड स्क्रू
        • तळ प्रोजेक्शन वेल्ड स्क्रूतळ प्रोजेक्शन वेल्ड स्क्रू
        • तळ प्रोजेक्शन वेल्ड स्क्रूतळ प्रोजेक्शन वेल्ड स्क्रू
        • तळ प्रोजेक्शन वेल्ड स्क्रूतळ प्रोजेक्शन वेल्ड स्क्रू

        तळ प्रोजेक्शन वेल्ड स्क्रू

        तळाशी प्रक्षेपण वेल्ड स्क्रू धातूच्या पृष्ठभागावर घट्टपणे जोडले जाऊ शकतात. त्याच्या वरच्या बाजूला धागे आहेत आणि भाग जोडण्यासाठी वापरता येतात. ते जड यंत्रसामग्री, स्टील स्ट्रक्चर्स किंवा औद्योगिक उपकरणांसाठी योग्य आहेत ज्यांना दृढ आणि कायमचे निर्धारण आवश्यक आहे. Xiaoguo® कंपनी व्यावहारिक पर्याय ऑफर करते.
        मॉडेल:QC/T 598-1999

        चौकशी पाठवा

        उत्पादन वर्णन

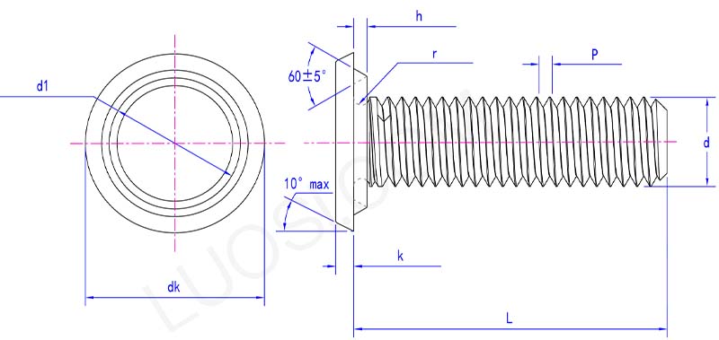
        तळाच्या प्रोजेक्शन वेल्ड स्क्रूचे हेड गोलाकार असते आणि त्यात लहान वेल्डिंग पॉइंट असतात. स्क्रूचा आकार दंडगोलाकार असतो आणि त्याच्या पृष्ठभागावर नियमित आणि बारीक धाग्यांनी नक्षीकाम केलेले असते. ते निवडण्यासाठी विविध आकारात येतात.

        अर्ज

        प्रोजेक्शन वेल्ड स्क्रूचा वापर इमारतीच्या सजावटीसाठी केला जातो. आतील सजावटीमध्ये, हे बोल्ट दरवाजे आणि खिडक्या, सजावटीचे पॅनेल, छतावरील जॉइस्ट आणि इतर घटक निश्चित करण्यासाठी वापरले जातात; स्टील स्ट्रक्चरच्या इमारतींच्या काही लहान कनेक्शन भागांमध्ये, ते कनेक्शनसाठी देखील वापरले जाऊ शकतात. ते खूप सोयीस्कर आहेत.

        bottom projection weld screws parameter

        सोम
        M4 M5 M6 M8 M10 M12
        P
        0.7 0.8 1 1.25 1.5 1.75
        dk कमाल
        11.5 12.5 14.5 19 21 24
        dk मि
        11.23 12.23 14.23 18.67 20.67 23.67
        k कमाल
        2 2.5 2.5 3.5 4 5
        k मि
        1.75 2.25 2.25 3.25 3.75 4.75
        r मि
        0.2 0.2 0.3 0.3 0.4 0.4
        d1 कमाल
        8.75 9.75 10.75 14.25 16.25 18.75
        d1 मि
        8.5 9.5 10.5 14 16 18.5
        h कमाल
        1.25 1.25 1.25 1.45 1.45 1.65
        तास मि
        0.9 0.9 0.9 1.1 1.1 1.3

        यांत्रिक उत्पादन उद्योगात तळाचे प्रोजेक्शन वेल्ड स्क्रू देखील वापरले जातात. ते यांत्रिक उपकरणांच्या सामान्य असेंब्लीला लागू होतात, जसे की लहान यंत्रे आणि उपकरणांमधील घटकांचे कनेक्शन, ऑपरेशन दरम्यान मशीनरीचा प्रत्येक भाग स्थिर स्थितीत राहील आणि स्थिरपणे कार्य करेल याची खात्री करून.

        हे प्रोजेक्शन वेल्ड स्क्रू इलेक्ट्रॉनिक उपकरणांच्या असेंब्लीमध्ये वापरले जाते. काही इलेक्ट्रॉनिक उपकरणांच्या केसिंग्ज आणि अंतर्गत समर्थनांच्या कनेक्शनसाठी ज्यांना दिसण्यासाठी उच्च आवश्यकता असते आणि विशिष्ट घट्ट शक्तीची आवश्यकता असते, या प्रकारचा बोल्ट अगदी योग्य आहे. हे उपकरणाच्या स्वरूपावर परिणाम न करता स्थिर कनेक्शन सुनिश्चित करते.

        उत्पादन वैशिष्ट्य

        तळाच्या प्रोजेक्शन वेल्ड स्क्रूमध्ये स्थापनेनंतर तुलनेने गुळगुळीत पृष्ठभाग असते, ज्यामुळे लोक किंवा इतर वस्तू स्क्रॅच होण्याची शक्यता कमी होते. डोक्यावरील वेल्डिंग पॉइंट्स प्री-वेल्ड करण्यासाठी वापरले जाऊ शकतातबोल्टविशिष्ट घटकासाठी, त्यानंतरच्या असेंब्लीची सुविधा. थ्रेडची अचूकता जास्त आहे, ती जुळणाऱ्या नटशी घट्टपणे गुंतण्यास सक्षम करते, एक विश्वासार्ह फास्टनिंग प्रभाव प्रदान करते आणि एकाधिक विघटन आणि पुन्हा जोडल्यानंतरही कनेक्शनची चांगली कार्यक्षमता राखते.


        हॉट टॅग्ज: तळ प्रोजेक्शन वेल्ड स्क्रू, चीन, निर्माता, पुरवठादार, कारखाना
        संबंधित श्रेणी
        चौकशी पाठवा
        कृपया खालील फॉर्ममध्ये तुमची चौकशी करण्यास मोकळ्या मनाने द्या. आम्ही तुम्हाला २४ तासांत उत्तर देऊ.
        X
        आम्ही तुम्हाला एक चांगला ब्राउझिंग अनुभव देण्यासाठी, साइट रहदारीचे विश्लेषण करण्यासाठी आणि सामग्री वैयक्तिकृत करण्यासाठी कुकीज वापरतो. ही साइट वापरून, तुम्ही आमच्या कुकीजच्या वापरास सहमती देता. गोपनीयता धोरण
        नकार द्या स्वीकारा