म्हणून, जेव्हा तुम्ही लिफ्ट ॲश्युअर्ड आय बोल्ट पाहत असता, तेव्हा तुम्हाला ते काही सामान्य सामग्रीमध्ये आढळतात आणि योग्य निवडणे हे तुमच्या विशिष्ट कामावर अवलंबून असते. तुम्हाला दिसणारा सर्वात सामान्य प्रकार म्हणजे कार्बन स्टील. कोणत्याही विशेष अटींचा समावेश नसलेल्या दैनंदिन लिफ्टिंग कार्यांसाठी ही सामान्य निवड आहे. गंज टाळण्यासाठी, या कार्बन स्टीलच्या बोल्टमध्ये सामान्यतः झिंक प्लेटिंग असते, ज्यामुळे त्यांना चांदीसारखा, किंचित चमकदार देखावा मिळतो.
मग स्टेनलेस स्टील आहे. जर तुम्ही अशा ठिकाणी काम करत असाल जिथे गोष्टी ओल्या किंवा गंजतात, जसे की समुद्राजवळील किंवा रासायनिक वनस्पतींमध्ये. सर्वात सामान्य ग्रेड 304 आणि 316 आहेत, 316 खरोखर कठोर सेटिंग्जसाठी थोडे अधिक हेवी-ड्यूटी आहेत. दुसरीकडे, जर तुम्ही खरोखरच जास्त भार उचलत असाल, तर तुम्हाला बनावट मिश्र धातुच्या स्टीलच्या आय बोल्टपर्यंत जावे लागेल. ही सामग्री विशेषत: उच्च शक्तीची आवश्यकता हाताळण्यासाठी बनविली गेली आहे, म्हणून ती तुमच्या मानक कार्बन स्टीलपेक्षा खूप कठीण आहे.
जेव्हा तुम्हाला लिफ्ट ॲश्युअर्ड आय बोल्ट मिळतो, तेव्हा तुमच्या लक्षात येईल की त्यावर अनेकदा वेगवेगळे फिनिश केलेले असतात. हे केवळ दिसण्यासाठी नाही; या पृष्ठभागावरील उपचार खरोखरच बोल्टला जास्त काळ टिकवून ठेवण्यासाठी आणि गंजापासून बचाव करण्यासाठी आहेत, जे सुरक्षितता आणि टिकाऊपणासाठी अत्यंत महत्वाचे आहे.

तुम्हाला दिसणारी खरी सामान्य पद्धत म्हणजे इलेक्ट्रोप्लेटिंग. इथेच ते स्टीलवर झिंक किंवा निकेल सारख्या गोष्टीचा पातळ थर लावतात. हे तुम्हाला गंजापासून चांगले मूलभूत संरक्षण देते आणि बोल्ट थोडा उजळ देखील बनवते. परंतु जर तुम्हाला कठोर वातावरणासाठी काहीतरी कठीण हवे असेल, जसे की बांधकाम साइटवर किंवा ओलसर सागरी भागात, तुम्हाला हॉट-डिप गॅल्वनाइज्ड आय बोल्ट शोधायचा आहे. ही प्रक्रिया जास्त जाड कोटिंग तयार करते जी अधिक मजबूत असते आणि कालांतराने खूप जास्त गैरवर्तन हाताळू शकते.
इतर पर्याय देखील आहेत. उदाहरणार्थ, ब्लॅक ऑक्साईड हा एक उपचार आहे जो गडद, गैर-प्रतिबिंबित फिनिशसह बोल्ट सोडतो. हे काही गंज प्रतिकार देते परंतु बर्याचदा त्याच्या देखाव्यासाठी आणि प्रकाश चमक कमी करण्यासाठी अधिक निवडले जाते. आणि स्टेनलेस स्टीलच्या बोल्टसाठी, ते सहसा पॅसिव्हेशन नावाची प्रक्रिया वापरतात. हे कदाचित क्लिष्ट वाटेल, परंतु हे मुळात एक रासायनिक स्नान आहे जे स्टेनलेस स्टीलवरील नैसर्गिक संरक्षणात्मक थर स्वच्छ आणि मजबूत करण्यास मदत करते, गंजांना प्रतिकार करण्याची क्षमता वाढवते.
प्रश्न: तुमचा लिफ्ट ॲश्युअर्ड आय बोल्ट प्रमाणपत्रासह येतो का? होय, आम्ही तुम्हाला लिफ्ट-ॲश्युअर्ड आय बोल्टसाठी चाचणी प्रमाणपत्र देऊ शकतो. हे सिद्ध करते की आय बोल्ट ASME B18.15 सारख्या मानकांची पूर्तता करतो आणि ते कोणत्या सामग्रीपासून बनलेले आहे आणि त्याच्या यांत्रिक गुणधर्मांची पुष्टी करते.
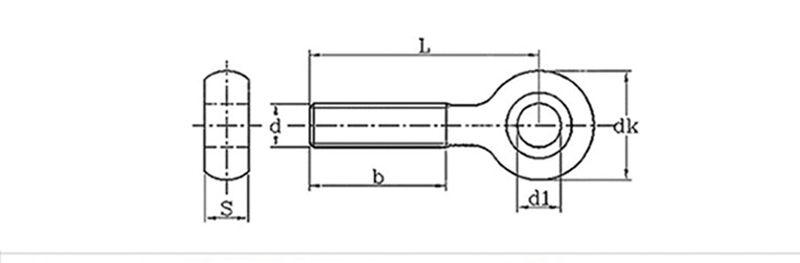
|
मिमी |
|||
|
थ्रेड व्यास |
d1 |
dk |
s |
|
M6 |
5 |
10.5 |
5.4 |
|
M8 |
6 | 13 | 7 |
|
M10 |
8 | 16 | 8.5 |
|
M12 |
10 | 19 | 10.5 |