बीडी शॅकल्स टाइप करा
        • बीडी शॅकल्स टाइप कराबीडी शॅकल्स टाइप करा
        • बीडी शॅकल्स टाइप कराबीडी शॅकल्स टाइप करा
        • बीडी शॅकल्स टाइप कराबीडी शॅकल्स टाइप करा
        • बीडी शॅकल्स टाइप कराबीडी शॅकल्स टाइप करा
        • बीडी शॅकल्स टाइप कराबीडी शॅकल्स टाइप करा
        • बीडी शॅकल्स टाइप कराबीडी शॅकल्स टाइप करा

        बीडी शॅकल्स टाइप करा

        टाईप बीडी शॅकल्स हे फिक्सिंगसाठी वापरले जाणारे हेराफेरीचे प्रकार आहेत. हे जहाजे निश्चित करण्यासाठी वापरले जाऊ शकते, बांधकाम उद्योगात वापरले जाऊ शकते, जड उपकरणे, आणि ऑफ-रोड वाहनांवर देखील स्थापित केले जाऊ शकतात. Xiaoguo® कारखान्याची पुरवठा साखळी पारदर्शक, काटेकोरपणे चाचणी केलेली आणि आंतरराष्ट्रीय लोड-बेअरिंग मानकांची पूर्तता करते.
        मॉडेल:JIS B2801-3-1977

        चौकशी पाठवा

        उत्पादन वर्णन

        टाइप बीडी शॅकल्स हाय-टेन्साइल मिश्र धातुच्या स्टीलपासून बनवले जातात. जेव्हा सामग्री अचानक, जास्त भार घेते तेव्हा ते ठिसूळ होत नाही आणि त्याचा बारीक मेकअप वारंवार तणावाखाली जास्त काळ टिकण्यास मदत करतो.Xiaoguo®मिश्रधातूला कठोर बनवण्यासाठी उष्णता-उपचार देखील करा, स्क्रॅप्स आणि पृष्ठभागाच्या नुकसानास प्रतिकार करण्यासाठी HRC 40-45 च्या कडकपणापर्यंत पोहोचा.

        या सर्व गोष्टींमुळे, अनेक वेळा जास्त ताणतणाव झाल्यानंतरही हा साखळी मजबूत राहतो, त्यामुळे तुम्ही दीर्घकाळ टिकेल यावर विश्वास ठेवू शकता.

        अर्ज

        टाईप बीडी शॅकल्सचा वापर बऱ्याचदा केला जातो जेथे भार सुरक्षितपणे व्यवस्थापित करणे आवश्यक असते, जसे की समुद्रकिनारी जहाजे बांधणे, थिएटरमध्ये रिगिंग स्थापित करणे किंवा जड यंत्रसामग्री एकत्र करणे. त्यांचे गंज-प्रतिरोधक कोटिंग त्यांना ऑफशोअर ऑपरेशन्ससाठी आदर्श बनवते, जसे की जहाज आणि किनाऱ्यादरम्यान मालाची वाहतूक करणे किंवा पाण्याखालील साल्व्हेज ऑपरेशन करणे.

        बांधकाम उद्योगात, बीडी शॅकल्सचा वापर क्रेनच्या हुकांना स्टीलच्या बीम किंवा प्रीकास्ट काँक्रीट घटकांना जोडण्यासाठी केला जातो. बाहेरील रस्त्यावरील वाहने रिकव्हरी करणारे बाहेरचे उत्साही देखील या शॅकल्सवर अवलंबून असतात कारण ते अचानक झटके हाताळू शकतात. औद्योगिक उत्पादन असो किंवा पवन टर्बाइन बसवण्यासारखे अक्षय ऊर्जा प्रकल्प असो, या शॅकल्स जड भार वाहून नेणाऱ्या प्रणालींमध्ये विश्वासार्ह कनेक्शन प्रदान करतात.

        साहित्य

        प्रश्न: बीडी शॅकल्स प्रकारात कोणती सामग्री वापरली जाते आणि ते गंजांना कसे प्रतिकार करतात?

        A:BD प्रकारच्या शॅकल्स कार्बन स्टीलपासून बनवल्या जातात ज्यावर उष्णतेने उपचार केले जातात, त्यामुळे ते खूपच कठीण असतात आणि सहज झीज होत नाहीत. गंज थांबवण्यासाठी, त्यांना गरम-बुडवून झिंक लेप लावला जातो, यामुळे त्यांना खारट पाण्यात किंवा ओलसर भागात गंजल्याशिवाय टिकून राहण्यास मदत होते.

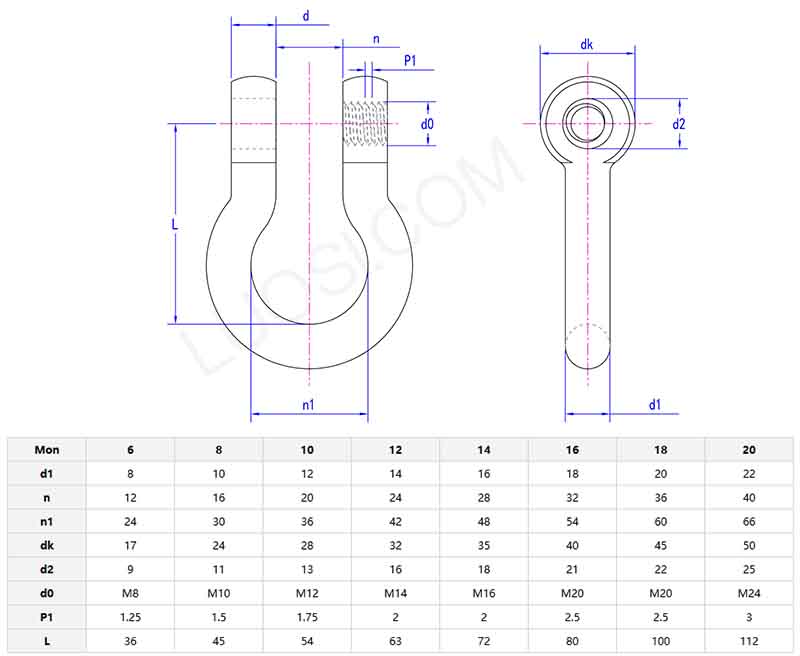
        Type BD shackles parameter

        हॉट टॅग्ज: बीडी शॅकल्स टाइप करा, चीन, उत्पादक, पुरवठादार, कारखाना
        संबंधित श्रेणी
        चौकशी पाठवा
        कृपया खालील फॉर्ममध्ये तुमची चौकशी करण्यास मोकळ्या मनाने द्या. आम्ही तुम्हाला २४ तासांत उत्तर देऊ.
        X
        आम्ही तुम्हाला एक चांगला ब्राउझिंग अनुभव देण्यासाठी, साइट रहदारीचे विश्लेषण करण्यासाठी आणि सामग्री वैयक्तिकृत करण्यासाठी कुकीज वापरतो. ही साइट वापरून, तुम्ही आमच्या कुकीजच्या वापरास सहमती देता. गोपनीयता धोरण
        नकार द्या स्वीकारा