मुख्यपृष्ठ > उत्पादने > वेल्डिंग नट > वेल्डेड नट > प्रकार 1A सह टी स्टाईल वेल्ड नट्स
        प्रकार 1A सह टी स्टाईल वेल्ड नट्स
        • प्रकार 1A सह टी स्टाईल वेल्ड नट्सप्रकार 1A सह टी स्टाईल वेल्ड नट्स
        • प्रकार 1A सह टी स्टाईल वेल्ड नट्सप्रकार 1A सह टी स्टाईल वेल्ड नट्स

        प्रकार 1A सह टी स्टाईल वेल्ड नट्स

        टाईप 1A सह T शैलीतील वेल्ड नट विशेषतः धातूंच्या वेल्डिंगसाठी डिझाइन केलेले आहेत आणि 1A तपशीलांचे पालन करतात, घट्ट फिट असल्याची खात्री करतात. मेटल फ्रेम्स, सपोर्ट्स किंवा यांत्रिक उपकरणांसाठी उपयुक्त, टी-आकाराचे डिझाइन जागा वाचविण्यात मदत करते. Xiaoguo® फॅक्टरीमध्ये मोठ्या प्रमाणात वस्तूंचा साठा आहे. आम्ही विशिष्ट गरजा पूर्ण करणारी उत्पादने सानुकूलित आणि प्रदान देखील करू शकतो.
        मॉडेल:JIS B1196-3.1-2001

        चौकशी पाठवा

        उत्पादन वर्णन

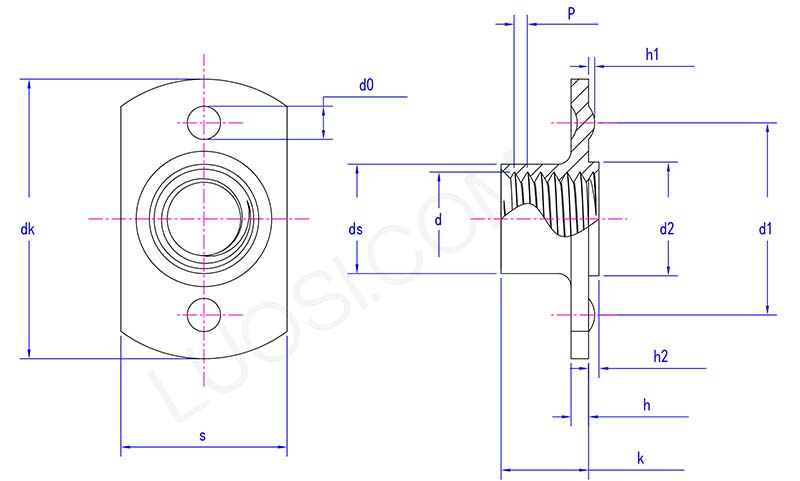
        प्रकार 1A सह T शैलीतील वेल्ड नट्सचा आकार "T" अक्षरासारखा असतो, तळाशी थ्रेडेड बेलनाकार भाग असतो. फ्लँजवर अनेक लहान प्रोट्र्यूशन्स आहेत, जे विशेषतः वेल्डिंगसाठी डिझाइन केलेले आहेत. सामान्य थ्रेड वैशिष्ट्ये M4 ते M12 पर्यंत आहेत.

        उत्पादन मापदंड

        T style weld nuts with type 1A parameter

        सोम
        M4 M5 M6 M8 M10 M12
        P
        0.7 0.8 1 १|१.२५ १.२५|१.५ १.२५|१.७५
        dk कमाल
        20.5 20.5 23.7 23.7 31 33.2
        dk मि
        19.5 19.5 22.3 22.3 29 30.8
        s कमाल
        12.25 12.25 14.3 14.3 19.4 21.5
        s मि
        11.75 11.75 13.7 13.7 18.6 20.5
        ds कमाल
        5.9 6.7 8.3 10.2 13.2 15.2
        ds मि
        5.4 6.2 7.8 9.5 12.5 14.5
        k कमाल
        5.9 6.9 7.5 9 10.6 11.8
        k मि
        5.1 6.1 6.5 8 9.4 10.2
        h कमाल
        1.4 1.4 1.85 1.85 2.3 2.3
        तास मि
        1 1 1.35 1.35 1.7 1.7
        d2 कमाल
        6.9 6.9 8.9 10.9 12.9 14.9
        d2 मि
        6.7
        6.7
        8.7
        10.7
        12.7
        14.7
        h2 कमाल
        0.8 0.8
        0.8
        0.8
        1.2 1.2
        h2 मि
        0.6 0.6
        0.6
        0.6
        1 1
        d0 कमाल
        3.25 3.25
        3.25
        3.25
        4.05 4.05
        d0 मि
        2.75 2.75
        2.75
        2.75
        3.55 3.55
        h1 कमाल
        0.6 0.6
        0.6
        0.6
        0.7 0.7
        h1 मि
        0.4 0.4
        0.4
        0.4
        0.5
        0.5
        d1 कमाल
        15.2 15.2
        17.25 17.25 22.3 24.3
        d1 मि
        14.8 14.8 16.75 16.75 21.7 23.7

        उत्पादन वैशिष्ट्ये आणि स्थापना

        T स्टाईल वेल्ड नट्स टाईप 1A मध्ये एक विशिष्ट T-आकाराची रचना आहे. फ्लँज मेटल प्लेटसह संपर्क क्षेत्र वाढवू शकतो, दाब वितरित करू शकतो आणि वेल्डिंग अधिक सुरक्षित करू शकतो. फ्लँजवरील वेल्डिंग प्रोट्र्यूशन्सचा आकार आणि उंची समान आहे आणि वेल्डिंग प्रक्रियेदरम्यान हीटिंग एकसमान आहे. त्याची थ्रेड अचूकता उच्च आहे. जेव्हा बोल्ट स्क्रू केला जातो तेव्हा तो जाम किंवा सैल न होता खूप गुळगुळीत वाटतो.

        T style weld nuts with type 1A

        1A T-प्रकार वेल्ड नटांना त्यांच्या आकारासाठी नाव देण्यात आले आहे: हेक्सागोनल नट बॉडी आयताकृती बेस प्लेट (फ्लँज) वर विलक्षणरित्या आरोहित आहे. 1A प्रकार सूचित करतो की ते फ्लँजच्या काठाच्या आसपास आर्क वेल्डिंग (MIG किंवा TIG) साठी डिझाइन केलेले आहे. 'T' आकाराची रचना तुम्हाला थ्रेडेड छिद्रे इच्छित ठिकाणी ठेवण्यास सक्षम करते, अगदी काठाच्या अगदी जवळ जेथे मध्यवर्ती नट स्थापित केले जाऊ शकत नाही आणि ते सहज साध्य केले जाऊ शकते.

        प्रकार 1A चे T शैलीतील वेल्ड नट स्थापित करणे म्हणजे आयताकृती फ्लँजच्या परिघावर वेल्डिंग करणे. 1A प्रकारचा नट बेस सपाट आहे आणि त्याला छिद्र किंवा प्रोट्र्यूशन्स नाहीत. फ्लँजच्या काठावर सतत वेल्ड मणी तयार करण्यासाठी तुम्ही MIG किंवा TIG वापरू शकता. चांगले एकूण फ्यूजन महत्वाचे आहे कारण फ्लँज निश्चित करण्याचा हा एकमेव मार्ग आहे. कृपया धातू अगोदर पूर्णपणे स्वच्छ करा.

        1A T प्रकारचे वेल्ड नट सामान्यपेक्षा जास्त महाग असतातचौरस काजू. आपल्याला फ्लँजच्या प्रक्रियेच्या आकारासाठी आणि अतिरिक्त सामग्रीसाठी पैसे द्यावे लागतील. ते बाहेरील बाजूस योग्यरित्या वेल्डेड होण्यासाठी देखील जास्त वेळ घेतात. विशेषतः जेव्हा थ्रेडची स्थिती ऑफसेट करणे आवश्यक असते तेव्हा त्यांचा वापर करा; अन्यथा, मानक काजू स्वस्त असू शकतात.

        हॉट टॅग्ज: T स्टाईल वेल्ड नट्स टाईप 1A, चीन, उत्पादक, पुरवठादार, कारखाना
        संबंधित श्रेणी
        चौकशी पाठवा
        कृपया खालील फॉर्ममध्ये तुमची चौकशी करण्यास मोकळ्या मनाने द्या. आम्ही तुम्हाला २४ तासांत उत्तर देऊ.
        X
        आम्ही तुम्हाला एक चांगला ब्राउझिंग अनुभव देण्यासाठी, साइट रहदारीचे विश्लेषण करण्यासाठी आणि सामग्री वैयक्तिकृत करण्यासाठी कुकीज वापरतो. ही साइट वापरून, तुम्ही आमच्या कुकीजच्या वापरास सहमती देता. गोपनीयता धोरण
        नकार द्या स्वीकारा