टी हेड अँकर स्क्रू
        • टी हेड अँकर स्क्रूटी हेड अँकर स्क्रू
        • टी हेड अँकर स्क्रूटी हेड अँकर स्क्रू
        • टी हेड अँकर स्क्रूटी हेड अँकर स्क्रू

        टी हेड अँकर स्क्रू

        आपण झियाओगो कंपनीद्वारे निर्मित उच्च-गुणवत्तेची टी हेड अँकर स्क्रू कोणत्याही वेळी तपासू शकता. टी-आकाराचे डोके अँकरिंग ग्रूव्हमध्ये स्थापित करणे सुलभ करते. आम्ही आपल्याला निवडण्यासाठी विविध आकार ऑफर करू शकतो. आपल्याला नेहमीच एक स्क्रू असेल जो आपल्यास अनुकूल असेल.
        मॉडेल:CNS 4947-1979

        चौकशी पाठवा

        उत्पादन वर्णन

        टी हेड अँकर स्क्रू अँकर फिक्सेशनसाठी वापरले जाणारे फास्टनर्स आहेत, टी-आकाराचे डोके अँकरिंग ग्रूव्हमध्ये स्थापित करणे सुलभ करते.Xiaoguo®आपल्याला निवडण्यासाठी विविध आकारांची ऑफर देऊ शकते. आपल्याला नेहमीच एक स्क्रू असेल जो आपल्यास अनुकूल असेल.

        टी हेड अँकर स्क्रूचे डोके टीच्या आकारात आहे, जे कडक झाल्यावर फिरण्यापासून रोखण्यासाठी संबंधित टी-आकाराच्या खोबणीत क्लॅम्प करणे सोयीस्कर आहे. स्क्रूची शेपटी विशेषत: अँकर सारख्या बेसमध्ये दृढपणे निश्चित करण्यासाठी डिझाइन केलेली आहे.

        स्थापना आणि अनुप्रयोग:

        हे अँकर स्क्रू एलिव्हेटेड दरवाजाच्या ट्रॅकचे निराकरण करण्यासाठी वापरले जाऊ शकतात. ते बोल्टपेक्षा वेगवान स्थापित आहेत. कोणत्याही फिक्सिंग टूल्सशिवाय त्यांना एलिव्हेटेड स्टीलच्या खोबणीत स्लाइड करा. वेअरहाऊस स्थापित करताना, एका हाताने ते घट्ट केले जाऊ शकते आणि शिडीच्या मदतीने संतुलित केले जाऊ शकते. ते जड ट्रॅक निश्चित करण्यासाठी वापरले जातात.

        टी हेड अँकर स्क्रू एचव्हीएसीसाठी पाईप समर्थन म्हणून वापरले जाऊ शकतात. काँक्रीटवर पाईप्स लटकवल्यास त्यांना कित्येक तास वाचू शकतात. ते युनिस्ट्रटमध्ये घाला आणि प्रभाव स्क्रू ड्रायव्हरसह कमाल मर्यादेमध्ये टॅप करा. कोणत्याही मार्गदर्शक छिद्रांची आवश्यकता नाही. एक कामगार दोन पाचरच्या आकाराच्या अँकरची स्थापना पूर्ण करू शकतो.

        हे स्क्रू खाण कन्व्हेयरच्या फ्रेमचे निराकरण करण्यासाठी वापरले जातात. ते भूमिगत बळकट फ्रेमच्या बोल्ट फिक्सेशनसाठी वापरले जातात आणि धूळ प्रतिकार करू शकतात. वक्र चॅनेलमध्ये टी-आकाराचे डोके हातोडा; थ्रेड्स कॉर्डेड स्टील समजू शकतात. कर्मचारी दर 15 मिनिटांनी शिफ्टमध्ये घटक बदलतात.

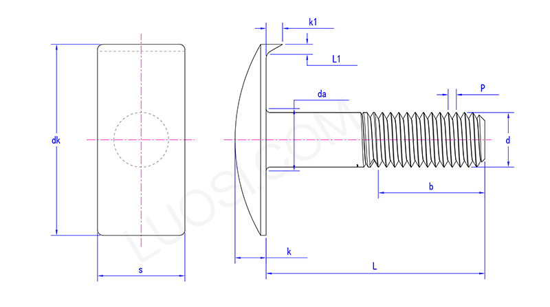
        मापदंड:

        सोम एम 12
        P 1.75
        k 7
        के 1 5
        L1 3
        होय कमाल 15.2
        डीके 55
        s 20


        उत्पादन विक्री बिंदू:

        टी हेड अँकर स्क्रू विशेषत: फिक्सेशनमध्ये स्थिर आणि स्थापित करणे सोयीस्कर आहेत. यात दोन प्रमुख वैशिष्ट्ये आहेत: टी-आकाराचे डोके आणि अँकरिंग फंक्शन. स्थापित करताना, पुनरावृत्ती स्थिती समायोजनाची आवश्यकता न घेता ते थेट टी-स्लॉटमध्ये घातले जाऊ शकते. अँकरिंग स्ट्रक्चर बेसमध्ये घट्ट आणि घट्ट ठेवते आणि ते सैल होण्यापासून प्रतिबंधित करते. आणि कोणतीही जटिल व्यावसायिक साधने आवश्यक नाहीत. याव्यतिरिक्त, त्यात विस्तृत अनुप्रयोग आहेत आणि बर्‍याच उद्योग आणि परिस्थितींमध्ये वापरले जाऊ शकतात.



        हॉट टॅग्ज: टी हेड अँकर स्क्रू, चीन, निर्माता, पुरवठादार, फॅक्टरी
        संबंधित श्रेणी
        चौकशी पाठवा
        कृपया खालील फॉर्ममध्ये तुमची चौकशी करण्यास मोकळ्या मनाने द्या. आम्ही तुम्हाला २४ तासांत उत्तर देऊ.
        X
        आम्ही तुम्हाला एक चांगला ब्राउझिंग अनुभव देण्यासाठी, साइट रहदारीचे विश्लेषण करण्यासाठी आणि सामग्री वैयक्तिकृत करण्यासाठी कुकीज वापरतो. ही साइट वापरून, तुम्ही आमच्या कुकीजच्या वापरास सहमती देता. गोपनीयता धोरण
        नकार द्या स्वीकारा