टी हेड अँकर बोल्टमध्ये जाड टी-आकाराची ब्लॉक रचना असते. रॉड बॉडी एक सरळ सिलेंडर आहे. एक टोक टी-आकाराच्या डोक्याशी जोडलेला असतो आणि दुसर्या टोकाला बाह्य धाग्याने प्रक्रिया केली जाते आणि विशिष्ट टी-आकाराच्या खोबणीत एम्बेड केली जाऊ शकते.
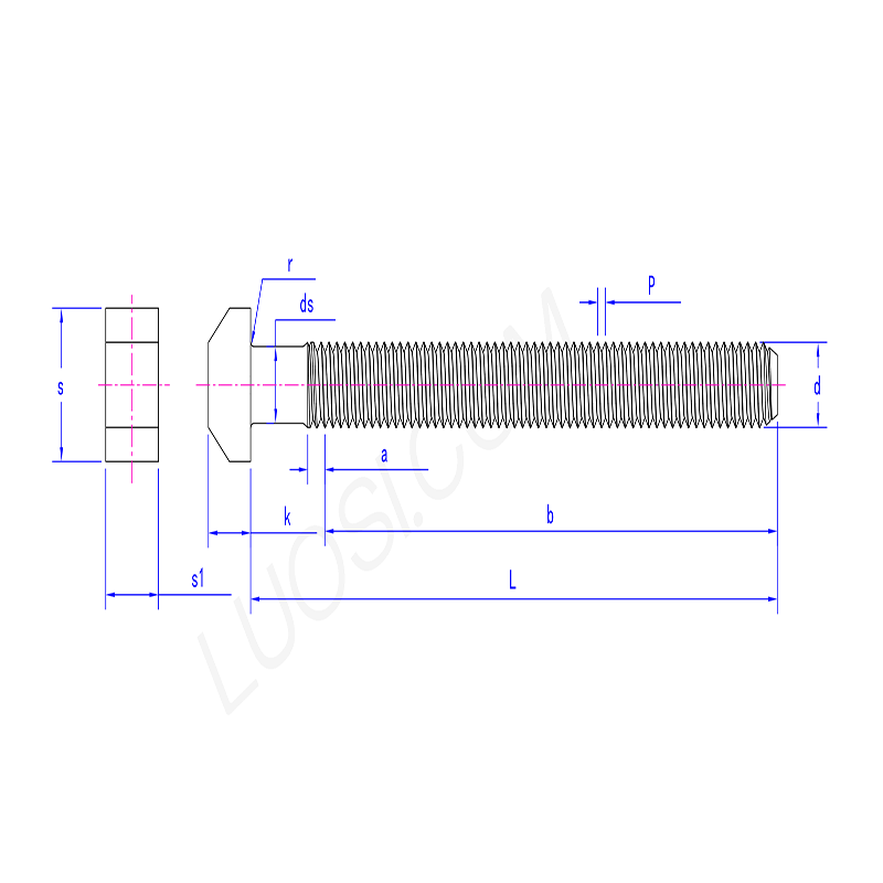
| सोम | एम 24 | एम 30 | 
| P | 3 | 3.5 | 
| डी एस | 20 | 26 | 
| कमाल | 12 | 15 | 
| k | 15 | 19 | 
| s | 43 | 54 | 
| एस 1 | 24 | 30 | 
| r | 2 | 2 | 
	
टी अँकर बोल्ट प्रामुख्याने रेल्वे कॉंक्रिट स्लीपर्सच्या ट्रॅकचे निराकरण करण्यासाठी वापरला जातो. फ्लॅट "टी" -आकाराचा भाग बोल्टला फिरण्यापासून रोखण्यासाठी स्लीपरच्या खोबणीत दृढपणे एम्बेड केलेले आहे. थ्रेडेड एंड वरच्या बाजूस प्रोट्रूड करतो आणि रेल पॅड आणि फास्टनिंग क्लॅम्पचे निराकरण करण्यासाठी वापरला जातो. हे ट्रेनला कंपित होण्यापासून रोखण्यासाठी आणि लोड हलविण्यापासून रोखण्यासाठी सर्व घटक घट्टपणे लॉक करू शकतात.
टी हेड अँकर बोल्टचे डोके मुख्यतः फिरणे टाळण्यासाठी कार्य करते. एकदा ते स्लीपरच्या खोबणीत निश्चित केले की ते फिरत नाही. ट्रॅकच्या वरील काजू कडक करताना हे महत्त्वपूर्ण आहे, कारण कोणतेही रोटेशन कनेक्शनची शक्ती कमकुवत करेल. हे सतत टॉर्क आणि होल्डिंग फोर्स सुनिश्चित करते.
टी अँकर बोल्ट हेक्सागोनल हेड अँकर बोल्टपेक्षा भिन्न आहे. एकदा अँकर बोल्ट जागी निश्चित झाल्यावर ते यापुढे फिरणार नाही. हे स्लीपरमध्ये शारीरिकदृष्ट्या एम्बेड केलेले आहे. हेक्सागोनल हेड अँकर बोल्ट स्लीपरच्या पृष्ठभागासह घर्षणावर अवलंबून असतात. शून्य विस्थापन आवश्यक असलेल्या गंभीर ट्रॅक अँकरिंगसाठी, त्याचे विश्वसनीय यांत्रिक लॉकिंगला महत्त्वपूर्ण महत्त्व आहे.
टी हेड अँकर बोल्टसाठी, स्थापना सामग्रीमध्ये विशेषतः मोठ्या आणि जटिल छिद्र खोदण्याची आवश्यकता नाही. फक्त एक योग्य लहान छिद्र बनवा आणि बोल्ट घाला आणि ते खूप दृढपणे निश्चित केले जाऊ शकते. याचा चांगला फिक्सिंग प्रभाव आहे आणि उत्कृष्ट तन्यता आणि संकुचित शक्तींचा सामना करू शकतो. उच्च फिक्सिंग सामर्थ्य आवश्यक असलेल्या बर्याच ठिकाणी हे वापरता येते.
	