फास्टनरसाठी खांदा प्रकार आय बोल्ट ग्रेड ताकद आणि भौतिक मानकांद्वारे परिभाषित केले जातात, सुरक्षित उचलण्यासाठी महत्त्वपूर्ण आहेत. कार्बन स्टील वेरिएंटसाठी सामान्य श्रेणींमध्ये 4.8, 8.8, 10.9 आणि 12.9 यांचा समावेश होतो—उच्च संख्या म्हणजे जास्त तन्य शक्ती. ग्रेड 4.8 होम DIY सारख्या लाइट-ड्यूटी कार्यांसाठी अनुकूल आहे, तर 8.8 सामान्य औद्योगिक वापरासाठी कार्य करते. उच्च-शक्ती 10.9 आणि 12.9 ग्रेड बांधकाम किंवा मशिनरीमध्ये जास्त भार हाताळतात.
स्टेनलेस स्टीलच्या आवृत्त्या अनेकदा A4 (316) किंवा A2 (304) ग्रेडचे अनुसरण करतात, समुद्री/रासायनिक वातावरणासाठी गंज प्रतिरोधनाला प्राधान्य देतात. बनावट मिश्रधातूचे स्टील ग्रेड अत्यंत उचलण्यासाठी उत्कृष्ट टिकाऊपणा देतात. प्रत्येक ग्रेड लोड रेटिंगसह चिन्हांकित केला जातो, हेतू असलेल्या अनुप्रयोगांसह सुसंगतता आणि सुरक्षितता अनुपालन सुनिश्चित करते.
शोल्डर टाईप आय बोल्टसाठी गुणवत्ता नियंत्रण म्हणजे ते सुरक्षित आहे आणि योग्यरित्या कार्य करते याची खात्री करण्यासाठी कसून तपासणी करणे. या प्रक्रियेमध्ये सामान्यत: मटेरियल ग्रेड योग्य असल्याची खात्री करणे, ते अचूक आहेत की नाही हे पाहण्यासाठी थ्रेड तपासणे आणि वर्किंग लोड लिमिट (WLL) ची पुष्टी करण्यासाठी लोड चाचण्या चालवणे समाविष्ट असते. ते परिमाण DIN किंवा ISO सारख्या मानकांशी जुळतात का ते देखील तपासतात. डोळ्यांच्या बोल्टची प्रत्येक बॅच शोधण्यायोग्य असावी आणि तुम्ही ते कसे वापरणार आहात याच्या आवश्यकता पूर्ण करत असल्याचे सिद्ध करण्यासाठी तुम्हाला प्रमाणपत्र मिळेल.

प्रश्न: मी शोल्डर टाईप आय बोल्ट योग्यरित्या कसे स्थापित करावे? मानक बोल्टसाठी, ते सरळ टॅप केलेल्या छिद्रात स्क्रू करा—डोळ्याचा खांदा पृष्ठभागाला स्पर्श करत असल्याची खात्री करा. एका कोनात खेचल्याने त्याचा सुरक्षित कामाचा भार पूर्णपणे कमी होईल आणि ते धोकादायक आहे.

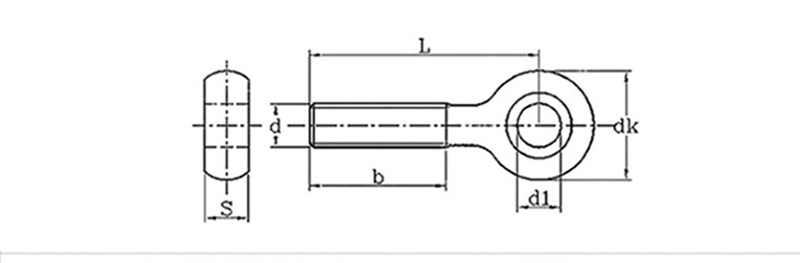
मिमी
थ्रेड व्यास
d1
dk
s
M6
5
10.5
5.4
M8
6
13
7
M10
8
16
8.5
M12
10
19
10.5
M14
10
22
12