एक स्क्रू डोळ्याच्या डोक्यात थ्रेड केलेले रॉड आणि रिंग हेड असते. नट किंवा थ्रेड केलेल्या छिद्रांसह घट्ट बसण्यासाठी धागे अचूकपणे कापले जातात. रिंग हेड जड खेचणे हाताळण्यासाठी तयार केले गेले आहे, जे भार उचलण्यासाठी किंवा सुरक्षित करण्यासाठी विश्वासार्ह बनते.
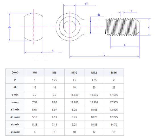
उत्पादन तपशील आणि पॅरामीटर्स
प्रत्येक स्क्रू डोळ्याचे तीन मुख्य चरणांद्वारे बनविले जाते: गरम पाण्याची सोय मेटल शेपिंग (फोर्जिंग), अचूक स्क्रू धागे कापून आणि अंतिम कोटिंग/उपचार. या चरणांनी हे सुनिश्चित केले की ते क्यूसी 190 - 2012 च्या मोजमाप, सामर्थ्य गरजा आणि पृष्ठभागाच्या गुणवत्तेसाठीच्या नियमांशी जुळतात. फॅन्सी एक्स्ट्रा नाही - कठोर आवश्यकतांच्या विरूद्ध फक्त सरळ प्रक्रिया तपासल्या. मानक ते किती मोठे असू शकतात, तोडल्याशिवाय किती वजन धरून ठेवतात आणि तेथे कोणतेही गंज किंवा खडबडीत डाग नसल्याचे सुनिश्चित करते. मुळात, जर एखाद्या डोळ्यातील फॅक्टरी सोडली गेली तर, स्क्रू आयबोल्टला हॅमर केले गेले, मशीन केलेले, तयार केले गेले आणि हेतूनुसार कार्य करण्यासाठी चाचणी केली गेली.

असेंब्ली दरम्यान इंजिन आणि गिअरबॉक्सेस उचलण्यासाठी कार कारखान्यांमध्ये स्क्रूचा वापर केला जातो. बांधकाम साइट्सवर, ते स्टील बीम किंवा काँक्रीट स्लॅब सारख्या जड सामग्रीवर फडकावण्यास मदत करतात. साधे डिझाइन, दररोज जड उचलण्यासाठी पुरेसे कठीण.
बाजार वितरण
| बाजार | महसूल (मागील वर्ष) | एकूण महसूल (%) |
| उत्तर अमेरिका | गोपनीय | 23 |
| दक्षिण अमेरिका | गोपनीय | 6 |
| पूर्व युरोप | गोपनीय | 15 |
| आग्नेय आशिया | गोपनीय | 3 |
| ओशनिया | गोपनीय | 3 |
| पूर्वेकडील मध्य | गोपनीय | 2 |
| पूर्व आशिया | गोपनीय | 18 |
| पश्चिम युरोप | गोपनीय | 12 |
| मध्य अमेरिका | गोपनीय | 5 |
| दक्षिण आशिया | गोपनीय | 6 |
देशांतर्गत बाजार | गोपनीय | 7 |
उत्पादनाचा वापर
स्क्रूचा मुख्य हेतू म्हणजे जड वस्तूंचे सुरक्षित उचल आणि स्थिर कनेक्शन प्राप्त करणे. औद्योगिक उत्पादनात, हे असेंब्ली किंवा देखभालसाठी नियुक्त केलेल्या ठिकाणी मोठ्या यांत्रिक भाग उंच करण्यासाठी वापरले जाते; बांधकाम साइटवर, बांधकाम मजल्यावर विविध बांधकाम साहित्य अचूकपणे उचलण्यासाठी वापरले जाते. दैनंदिन जीवनात, याचा उपयोग फर्निचर आणि उपकरणे यासारख्या जड वस्तू उचलण्यासाठी देखील केला जाऊ शकतो. क्रेनसारख्या उचलण्याच्या उपकरणांना सहकार्य करून, जड वस्तूंचे विस्थापन साध्य करण्यासाठी स्क्रू आयबोल्ट एक की कनेक्टर बनतो.