कॉलर रोलिंग नट सह गोल knobs
        • कॉलर रोलिंग नट सह गोल knobsकॉलर रोलिंग नट सह गोल knobs
        • कॉलर रोलिंग नट सह गोल knobsकॉलर रोलिंग नट सह गोल knobs

        कॉलर रोलिंग नट सह गोल knobs

        अचूक रेखीय गतीसाठी, कॉलर रोलिंग नटसह XIAO GUO चे प्रगत गोल नॉब निवडा. बॉल स्क्रूसाठी डिझाइन केलेले, ते गुळगुळीत, उच्च-कार्यक्षमतेची हालचाल सुनिश्चित करते, ज्यामुळे आम्हाला CNC आणि ऑटोमेशन सिस्टमसाठी कॉलर रोलिंग नट सप्लायरसह विश्वासार्ह चायना राउंड नॉब बनते.

        चौकशी पाठवा

        उत्पादन वर्णन

        प्रथम, शीट मेटलमध्ये एक छिद्र ड्रिल करा जे कॉलर रोलिंग नटच्या आकारासह गोल नॉब्सशी जुळते. छिद्र खूप मोठे करू नका - अन्यथा, ते योग्यरित्या लॉक होणार नाही. छिद्रामध्ये शिल्लक असलेल्या कोणत्याही धातूच्या शेव्हिंग्ज साफ करा; ते स्थापनेच्या मार्गात येऊ शकतात.

        नंतर नटला प्री-ड्रिल केलेल्या भोकमध्ये ठेवा, ते शीटच्या विरूद्ध सपाट बसल्याची खात्री करा. नटच्या वरच्या बाजूस बसणारे डाय असलेले मानक प्रेस टूल वापरा. साधनावर स्थिर, अगदी दाब लागू करा—जेव्हा ते ठिकाणावर लॉक केलेले असेल तेव्हा तुम्हाला थोडेसे "क्लिक" वाटेल. ते सुरक्षित असल्याची खात्री करण्यासाठी 1-2 सेकंद दाब धरून ठेवा.

        हातोडा वार वापरणे टाळा; हे नट वाकवू शकते किंवा शीट मेटलचे नुकसान करू शकते. हे पातळ ते मध्यम शीट मेटलवर (0.5-2 मिमी जाड) उत्कृष्ट कार्य करते. एकदा स्थापित केल्यावर, तुम्ही नट न फिरवता सहजतेने बोल्टमध्ये स्क्रू करू शकता. कॉलर रोलिंग नटसह गोल नॉब्स अगदी नवशिक्यांसाठी वापरण्यास सोपे आहे, कोणत्याही क्लिष्ट कौशल्याची आवश्यकता नाही.

        उत्पादन पॅकेजिंग

        नट सुरक्षित ठेवण्यासाठी आम्ही साधे, व्यावहारिक पॅकेजिंग वापरतो. लहान ऑर्डर किंवा नमुन्यांसाठी, ते स्पष्ट प्लास्टिकच्या पिशव्यांमध्ये पॅक केले जातात—सामान्यतः प्रति बॅग 100 किंवा 200 तुकडे. प्रत्येक पिशवीमध्ये आकार, साहित्य आणि बॅच क्रमांक असलेले मूलभूत लेबल असते, त्यामुळे तुम्हाला जे हवे आहे ते तुम्ही सहज शोधू शकता.

        मोठ्या प्रमाणात ऑर्डर मजबूत कार्टनमध्ये जातात. नटच्या आकारानुसार, प्रत्येक पुठ्ठ्यामध्ये 5000 ते 10000 तुकडे असतात. शिपिंग दरम्यान त्यांना स्क्रॅचिंग किंवा फिरण्यापासून थांबवण्यासाठी आम्ही फोम किंवा बबल रॅप आत ठेवतो. कार्टनमध्ये हाताळण्यासाठी स्पष्ट खुणा असतात, जसे की “कोरडे ठेवा” किंवा “जड वस्तू ठेवू नका.”

        तुम्हाला सानुकूल पॅकेजिंगची आवश्यकता असल्यास — जसे की तुमचा बॅगवरील लोगो किंवा प्रति पॅक विशिष्ट प्रमाणात — ऑर्डर करताना आम्हाला कळवा. कोणतीही अतिरिक्त फॅन्सी सामग्री नाही, फक्त स्टोरेज आणि शिपिंगसाठी काय काम करते. हे या मानक पर्यायांमध्ये येते, जे बहुतेक लहान कार्यशाळा, मोठे कारखाने किंवा DIY वापरकर्त्यांच्या गरजा पूर्ण करतात.

        Round Knobs With Collar Rolling Nut

        प्रश्नोत्तर सत्र

        कॉलर रोलिंग नटसह गोल नॉबसाठी शीट मेटलची किती जाडी योग्य आहे?  

        A: 0.5mm ते 2.5mm च्या जाडीच्या श्रेणीसह, पातळ ते मध्यम शीट मेटलवर हे सर्वोत्तम कार्य करते. खूप जाड धातू योग्यरित्या लॉक करू देत नाही आणि स्थापनेदरम्यान खूप पातळ विकृत होऊ शकते. कोल्ड-रोल्ड स्टील, ॲल्युमिनियम आणि स्टेनलेस स्टील शीट्स यांसारख्या सामान्य साहित्य सर्व ठीक आहेत. फक्त पूर्व-ड्रिल केलेल्या छिद्राचा आकार नटच्या बाह्य व्यासाशी जुळतो याची खात्री करा—तुम्हाला संदर्भासाठी आवश्यक असल्यास आम्ही आकार चार्ट देऊ शकतो.  

        Round Knobs With Collar Rolling Nut

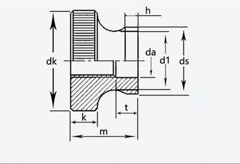
        आकार खेळपट्टी बाह्य व्यास उंची k ds da d1 T h
        कमाल मि कमाल मि कमाल मि कमाल मि कमाल
        M3 ०.५  11  १०.७  ७  ६.६४  २.८  ५.७  ३.५  ३.२  ५.२  १.२ 
        M4 ०.७  12  ११.७  ७.६४  ७.६४  ४.५  ४.२  ६.४  2.5  1.5 
        M5 ०.८  16  १५.७  10  ९६.६  10  ९.६४  ५.५  ५.५  ९ 
        M6 १  20  १९.७  12  11.6  ५  12  11.6  ६.५६  ६.२  11  2.5 
        M8 १.२५  २४  २३.७  16  १५.६  16  १५.६  ८.८६  ८.५  13  ५ 
        M10 1.5 30 29.7 20 19.5 8 20 19.5 10.9 10.5 17.2 6.5 3.8
        हॉट टॅग्ज: कॉलर रोलिंग नटसह गोल नॉब्स, चीन, निर्माता, पुरवठादार, कारखाना
        संबंधित श्रेणी
        चौकशी पाठवा
        कृपया खालील फॉर्ममध्ये तुमची चौकशी करण्यास मोकळ्या मनाने द्या. आम्ही तुम्हाला २४ तासांत उत्तर देऊ.
        X
        आम्ही तुम्हाला एक चांगला ब्राउझिंग अनुभव देण्यासाठी, साइट रहदारीचे विश्लेषण करण्यासाठी आणि सामग्री वैयक्तिकृत करण्यासाठी कुकीज वापरतो. ही साइट वापरून, तुम्ही आमच्या कुकीजच्या वापरास सहमती देता. गोपनीयता धोरण
        नकार द्या स्वीकारा