एनटी नायलॉन घाला लॉक नटअंतर्गत धाग्यांमध्ये नायलॉन कॉलरसह एक सेल्फ-लॉकिंग फास्टनर आहे. जेव्हा ते बोल्टवर पेच होते, तेव्हा नायलॉन थ्रेड्स लॉक करते आणि जेव्हा कंप किंवा हालचाल होते तेव्हा नट सहजपणे सोडण्याची शक्यता नसते.

दएनटी नायलॉन घाला लॉक नटझिंक-प्लेटेड स्टील किंवा स्टेनलेस स्टील सारख्या सामग्रीचे बनलेले आहे, हे यंत्रसामग्री, वाहने किंवा उपकरणांसाठी डिझाइन केलेले आहे जेथे विश्वसनीयता महत्त्वाची आहे. नियमित काजू विपरीत,एनटी नायलॉन घाला लॉक नटअतिरिक्त लॉक वॉशर किंवा चिकटण्याची आवश्यकता नाही - ते स्वतःच लॉक करते. हे स्थापित करणे सोपे आहे, पुन्हा वापरण्यायोग्य (मर्यादेत) आणि औद्योगिक सेटअप आणि दररोजच्या दुरुस्तीमध्ये कार्य करते.
वापराएनटी नायलॉन घाला लॉक नटहादरणारे किंवा हलविणारे भाग सुरक्षित करण्यासाठी. उदाहरणेः मोटारसायकल फूटपेज फास्टनिंग, कन्व्हेयर बेल्ट रोलर्स जागोजागी ठेवणे किंवा समायोज्य भागांसह कार्यालयीन खुर्च्या एकत्र करणे. हे गार्डन ट्रेलर किंवा बाईक रॅक सारख्या मैदानी उपकरणांसाठी देखील सुलभ आहे, जिथे अडथळे आणि हवामान मानक नट सैल करू शकते. होम वर्कशॉप्समध्ये, वॉब्ली टेबल्सचे निराकरण करणे किंवा वापरादरम्यान कंपित करणारे पॉवर टूल घटक सुरक्षित करणे चांगले आहे.
आपण पहालएनटी नायलॉन घाला लॉक नटऑटोमोटिव्ह मॅन्युफॅक्चरिंग (इंजिन माउंट्स, सस्पेंशन पार्ट्स), एचव्हीएसी सिस्टम (फॅन ब्लेड किंवा डक्टवर्क सुरक्षित करणे) आणि वॉशिंग मशीन किंवा व्यायामाच्या बाईक सारख्या ग्राहक वस्तू. हे कृषी यंत्रणा, सायकली आणि इलेक्ट्रॉनिक्स असेंब्लीमध्ये देखील सामान्य आहे - जिथे जिथेही कंपने किंवा वारंवार समायोजित केले जाऊ शकतात.

| बाजार |
एकूण महसूल (%) |
| उत्तर अमेरिका |
14 |
| दक्षिण अमेरिका |
10 |
| पूर्व युरोप |
16 |
| आग्नेय आशिया |
10 |
| पूर्वेकडील मध्य |
7 |
| पूर्व आशिया |
17 |
| पश्चिम युरोप |
12 |
| दक्षिण आशिया |
6 |
| देशांतर्गत बाजार |
8 |
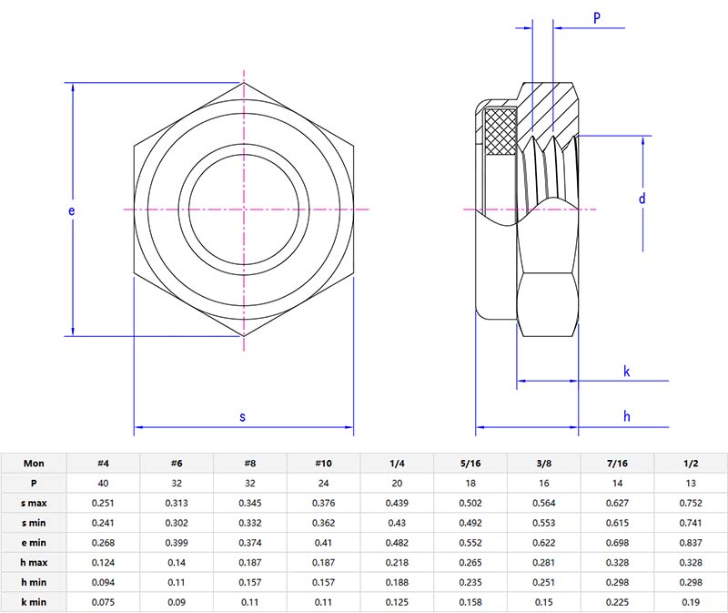
Xiaoguo® सानुकूलित करू शकतेएनटी नायलॉन लॉक नट घालाआपल्याकडेबोल्ट? चे षटकोनी आकारनटप्रमाणित पाना फिट करते आणि आत नायलॉन पोशाख-प्रतिरोधक आहे. आम्ही नमुने प्रदान करू शकतो आणि मोठ्या ऑर्डर देण्यापूर्वी विनामूल्य नमुने आपल्या गरजा पूर्ण करतात की नाही याची आपण चाचणी घेऊ शकता.