मुख्यपृष्ठ > उत्पादने > नट > षटकोनी नट > उच्च शक्ती षटकोनी नट
        उच्च शक्ती षटकोनी नट
        • उच्च शक्ती षटकोनी नटउच्च शक्ती षटकोनी नट
        • उच्च शक्ती षटकोनी नटउच्च शक्ती षटकोनी नट
        • उच्च शक्ती षटकोनी नटउच्च शक्ती षटकोनी नट

        उच्च शक्ती षटकोनी नट

        उच्च शक्तीचे षटकोनी नट अशा वातावरणात वापरले जाऊ शकतात जेथे मानक नट वापरले जाऊ शकत नाहीत. टाइप 2 नट्सची उंची टाइप 1 पेक्षा सुमारे 10% जास्त आहे. Xiaoguo® वरून खरेदी करताना, आम्ही तुम्हाला तुमच्या फास्टनिंगच्या गरजा पूर्ण करणारी उच्च-गुणवत्तेची उत्पादने प्रदान करण्याची हमी देतो.
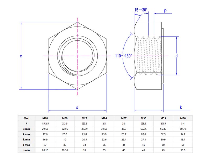
        मॉडेल:GB/T 33943-2017

        चौकशी पाठवा

        उत्पादन वर्णन


        उच्च शक्ती षटकोनी नटप्रकार 1 पेक्षा जाड आणि मजबूत आहे, आणि भार क्षमता टाइप 1 पेक्षा जास्त आहे, ज्यामुळे ते जड भार किंवा उच्च-आवश्यक परिस्थितींसाठी योग्य आहे. प्रकार 1 हलक्या कामासाठी योग्य आहे, तर प्रकार 2 जड मशीनरी किंवा संरचनात्मक भारांसाठी योग्य आहे. तथापि, प्रकार 2 अधिक महाग आणि जड आहे.

        टाइप 2 सिंगल चेम्फर्ड हेक्सागोनल नट हे तुलनेने परवडणारे षटकोनी नट आहे ज्याला उष्णता उपचारांची आवश्यकता नसते. टाईप 2 नट बहुतेकदा अशा ऍप्लिकेशन्समध्ये वापरले जातात जिथे असेंबली आणि डिससेम्बली आवश्यक असते, जसे की एरोस्पेस, ऑटोमोटिव्ह, बांधकाम, यंत्रसामग्री आणि इतर अनुप्रयोग ज्यांना तुलनेने मजबूत कनेक्टर आवश्यक असतात.


        उत्पादन तपशील आणि पॅरामीटर्स

        Type 2 Single Chamfered Hexagon Nut


        ट्रक फ्रेम्स, कन्व्हेयर बेल्ट सिस्टम किंवा कृषी उपकरणांवर टाइप 2 सिंगल चेम्फर्ड हेक्सागोन नट स्थापित केले आहे. ते जास्त टॉर्क सहन करू शकतात, नट काढून टाकण्यापासून रोखतात आणि चेम्फर बोल्टला त्वरीत संरेखित करण्यास मदत करते. ते शेल्फ् 'चे अव रुप किंवा मूलभूत फर्निचरसाठी खूप अवजड आहेत.

        टाईप 2 सिंगल चेम्फर्ड हेक्सागोन नट निवडताना, बोल्टच्या आकाराचा प्रथम विचार केला पाहिजे. थ्रेडचा व्यास (उदा. M12, ¾ ") आणि पिच (खडबडीत धागा किंवा बारीक धागा) जुळवा. चेम्फरिंग धाग्याच्या एका बाजूला एक लहान कोन जोडेल. घट्ट करताना, थ्रेड्स चुकीचे काढणे टाळा. मेट्रिक आणि इम्पीरियल थ्रेड्स मिक्स करू नका, कारण यामुळे धाग्याचे नुकसान होईल.

        उच्च शक्ती षटकोनी नटबोल्टला अधिक त्वरीत मार्गदर्शन करू शकते, ज्यामुळे मोठ्या प्रमाणात उत्पादनात उपकरणांचा डाउनटाइम कमी होतो. हॉट-डिप गॅल्वनाइज्ड नट हे बाहेरच्या वापरासाठी योग्य आहेत, परंतु कोटिंग खराब होऊ शकते अशा गंजणाऱ्या वातावरणात ते टाळावे. टाकून दिलेल्या उपकरणांवर काजू पुन्हा वापरू नका.


        Type 2 Single Chamfered Hexagon Nut

        स्थापना टिपा

        स्थापित करतानाउच्च शक्ती षटकोनी नट, थ्रेडेड कनेक्शन नितळ करण्यासाठी चेम्फरला बोल्टचा सामना करावा लागतो. ते घट्ट करण्यासाठी टॉर्क रेंच वापरा. जास्त घट्ट केल्याने बोल्ट खराब होऊ शकतो याची काळजी घ्या. उच्च-श्रेणीचे बोल्ट (समान सामर्थ्य ग्रेडसह) आणि कठोर वॉशर एकत्रितपणे वापरण्याची शिफारस केली जाते.

        हॉट टॅग्ज: उच्च शक्ती षटकोन नट, चीन, निर्माता, पुरवठादार, कारखाना
        संबंधित श्रेणी
        चौकशी पाठवा
        कृपया खालील फॉर्ममध्ये तुमची चौकशी करण्यास मोकळ्या मनाने द्या. आम्ही तुम्हाला २४ तासांत उत्तर देऊ.
        X
        आम्ही तुम्हाला एक चांगला ब्राउझिंग अनुभव देण्यासाठी, साइट रहदारीचे विश्लेषण करण्यासाठी आणि सामग्री वैयक्तिकृत करण्यासाठी कुकीज वापरतो. ही साइट वापरून, तुम्ही आमच्या कुकीजच्या वापरास सहमती देता. गोपनीयता धोरण
        नकार द्या स्वीकारा