लहान फ्लेंजसह हेक्सागॉन हेड बोल्ट
        • लहान फ्लेंजसह हेक्सागॉन हेड बोल्टलहान फ्लेंजसह हेक्सागॉन हेड बोल्ट
        • लहान फ्लेंजसह हेक्सागॉन हेड बोल्टलहान फ्लेंजसह हेक्सागॉन हेड बोल्ट
        • लहान फ्लेंजसह हेक्सागॉन हेड बोल्टलहान फ्लेंजसह हेक्सागॉन हेड बोल्ट

        लहान फ्लेंजसह हेक्सागॉन हेड बोल्ट

        झियाओगुओ बहुतेक ऑर्डर 2-4 आठवड्यांत तयार असतात, त्वरित गरजा भागविलेल्या एक्सप्रेस पर्यायांसह. लहान फ्लॅंजसह हेक्सागॉन हेड बोल्ट डिझाइन केलेले आहेत त्यांना अधिक ट्विस्टिंग फोर्स हाताळू देते. यामुळे त्यांना नोकरीसाठी फक्त एक गोष्ट बनते जिथे आपल्याला यंत्रणा, ग्राहक इलेक्ट्रॉनिक्स सारख्या गोष्टी घट्ट बांधण्याची आवश्यकता असते किंवा बांधकाम भाग एकत्र ठेवताना.
        मॉडेल:GOST R52854-2007

        चौकशी पाठवा

        उत्पादन वर्णन

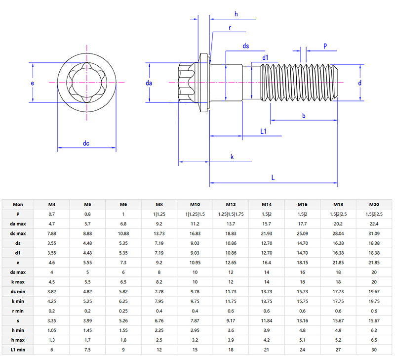
        लहान फ्लॅंजसह हेक्सागॉन हेड बोल्ट खरोखर चांगल्या सामग्रीपासून बनविलेले आहेत. तेथे स्टेनलेस स्टील (ए 2/ए 4 सारखे), अ‍ॅलोय स्टील आणि टायटॅनियम आहे. हे त्यांना मजबूत आणि जास्त भारी नसणे यात एक चांगला संतुलन देते.

        स्टेनलेस स्टीलचे लोक गंजणार नाहीत. ते फक्त समुद्राद्वारे किंवा बाहेरील ठिकाणांसाठी आहेत. अ‍ॅलोय स्टील स्क्रू सहसा गरम होतात आणि त्यांना जड नोकरीसाठी खरोखर मजबूत बनविण्यासाठी उपचार करतात. टायटॅनियम मिश्र धातु स्क्रू हलके आणि मजबूत आहेत, जे विमानासारख्या वस्तूंमध्ये वापरले जातात.

        आयएसओ 14579 आणि डीआयएन 85 85 8585 सारख्या वेगवेगळ्या उद्योगांच्या आवश्यकता आणि मानकांनुसार लहान फ्लॅंजसह हेक्सागॉन हेड बोल्ट वेगवेगळ्या सामग्रीचे बनविले जाऊ शकतात. झियाओगो निर्माता बोल्ट तयार करण्यासाठी नवीनतम तंत्रज्ञान निवडा आणि प्रत्येक उत्पादनांची उत्पादने मानकांची पूर्तता करतात आणि गरजा पूर्ण करतात.


        अर्ज

        Hexagon head bolts with small flange are really important in places where you need to fasten things tightly in tough conditions.

        कार बनवताना, त्या ठिकाणी इंजिनचे भाग आणि अंतर्गत पॅनेल ठेवण्यासाठी वापरले जातात. इलेक्ट्रॉनिक्स निर्माते त्यांच्यावर सर्किट बोर्ड आणि लहान डिव्हाइस तंतोतंत एकत्र ठेवण्यासाठी मोजतात. एरोस्पेस फील्डमध्ये, त्यांचे हलके परंतु मजबूत डिझाइन विमानाच्या संरचना तयार करण्यासाठी योग्य आहे.

        बांधकाम कामगार हीटिंग, वेंटिलेशन आणि वातानुकूलन प्रणाली आणि यंत्रसामग्रीमध्ये लहान फ्लॅंजसह हेक्सागॉन हेड बोल्ट वापरतात कारण ते सहजपणे सैल पडत नाहीत. आम्ही दररोज वापरत असलेल्या सायकली आणि फर्निचरसारख्या गोष्टींमध्येही या स्क्रू असतात. हे त्यांना देखभाल करणे आणि अधिक टिकाऊ बनवते. बर्‍याच वेगवेगळ्या उद्योगांमध्ये त्यांचा वापर सर्व प्रकारच्या गरजा किती चांगल्या प्रकारे बसू शकतो हे दर्शवितो.



        Hexalobular head bolt with large flange

        Hexalobular head bolt with large flange



        FAQ

        प्रश्नः विशिष्ट गंज-प्रतिरोधक वातावरणासाठी लहान फ्लॅंजसह हेक्सागॉन हेड बोल्ट सानुकूलित केले जाऊ शकतात?

        उत्तरः होय, झिंक-निकेल प्लेटिंग किंवा डॅक्रोमेट कोटिंग सारख्या विशेष कोटिंग्जसह लहान फ्लॅंजसह हेक्सागॉन हेड बोल्ट बनविले जाऊ शकतात. जर आपण समुद्राद्वारे किंवा रासायनिक कारखान्यांमध्ये खरोखर कठीण ठिकाणी काम करत असाल तर आपण ए 4 स्टेनलेस स्टीलचे देखील वापरू शकता. सुपर गरम किंवा थंड जागांसाठी, लहान फ्लेंजसह झिलान-लेपित हेक्सागॉन हेड बोल्ट तापमान अधिक चांगले हाताळू शकतात.

        आपल्या गरजा भागविण्यासाठी आपल्याला सानुकूल थ्रेड पिच, बारीक किंवा खडबडीत आणि भिन्न लांबी देखील मिळू शकतात. या स्क्रूची चाचणी एएसटीएम बी 117 मीठ स्प्रे चाचणीद्वारे केली जाते जेणेकरून ते सहज गंजत नाहीत. आपण ऑफशोर रिग्स तयार करीत असलात किंवा एचव्हीएसी सिस्टममध्ये ठेवत असलात तरी, लहान फ्लॅंजसह हेक्सागॉन हेड बोल्ट बराच काळ टिकतील.



        आमचे बाजार वितरण

        बाजार
        महसूल (मागील वर्ष)
        एकूण महसूल (%)
        उत्तर अमेरिका
        गोपनीय
        25
        दक्षिण अमेरिका
        गोपनीय
        2
        पूर्व युरोप
        गोपनीय
        16
        आग्नेय आशिया
        गोपनीय
        3
        आफ्रिका
        गोपनीय
        2
        ओशनिया
        गोपनीय
        3
        पूर्वेकडील मध्य
        गोपनीय
        16
        पूर्व आशिया
        गोपनीय
        17
        पश्चिम युरोप
        गोपनीय
        8
        मध्य अमेरिका
        गोपनीय
        1
        उत्तर युरोप
        गोपनीय
        1
        दक्षिण युरोप
        गोपनीय
        3
        दक्षिण आशिया
        गोपनीय
        7
        देशांतर्गत बाजार
        गोपनीय
        8


        हॉट टॅग्ज: लहान फ्लेंज, चीन, निर्माता, पुरवठादार, फॅक्टरीसह हेक्सागॉन हेड बोल्ट
        संबंधित श्रेणी
        चौकशी पाठवा
        कृपया खालील फॉर्ममध्ये तुमची चौकशी करण्यास मोकळ्या मनाने द्या. आम्ही तुम्हाला २४ तासांत उत्तर देऊ.
        X
        आम्ही तुम्हाला एक चांगला ब्राउझिंग अनुभव देण्यासाठी, साइट रहदारीचे विश्लेषण करण्यासाठी आणि सामग्री वैयक्तिकृत करण्यासाठी कुकीज वापरतो. ही साइट वापरून, तुम्ही आमच्या कुकीजच्या वापरास सहमती देता. गोपनीयता धोरण
        नकार द्या स्वीकारा