कार्बन स्टील सीलिंग क्लिंचिंग नट्स पातळ प्लेट्स किंवा शीट मेटल्सला जोडण्यासाठी वापरल्या जाणार्या फास्टनरचा एक प्रकार आहेत. ते कार्बन स्टीलचे बनलेले आहेत, कठोरता वाढविण्यासाठी टेम्पर्ड आणि विझलेले आहेत आणि पृष्ठभाग गॅल्वनाइज्ड किंवा अन्यथा गंज-प्रतिरोधक बनविला जातो.
सीलिंग क्लिंचिंग नट अगदी सरळ आहे, आपण मानक वायवीय किंवा हायड्रॉलिक क्लिंचिंग साधने वापरू शकता. हे कसे कार्य करते ते येथे आहे: प्रथम, नट प्री-पंच केलेल्या छिद्रात ठेवा, नंतर दबाव लागू करण्यासाठी पंच आणि डाय सेट वापरा. डाई नटच्या क्लिंच कॉलरच्या सभोवताल शीट मेटल दाबते, एका द्रुत चरणात एक घन यांत्रिक लॉक तयार करते.
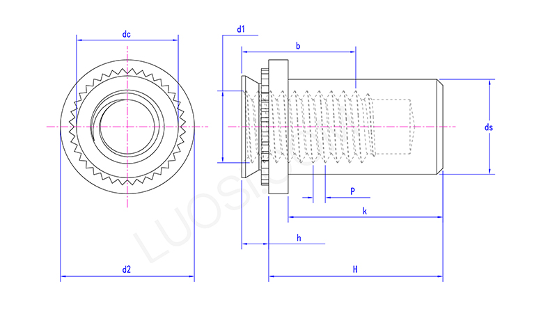
| सोम | एम 3-1 | एम 3-2 | एम 4-1 | एम 4-2 | एम 5-1 | एम 5-2 | एम 6-1 | एम 6-2 |
| P | 0.5 | 0.5 | 0.7 | 0.7 | 0.8 | 0.8 | 1 | 1 |
| डीएस कमाल | 3.84 | 3.84 | 5.2 | 5.2 | 6.35 | 6.35 | 8.75 | 8.75 |
| डीसी कमाल | 4.2 | 4.2 | 5.38 | 5.38 | 6.33 | 6.33 | 8.73 | 8.73 |
| बी मि | 5.3 | 5.3 | 7.1 | 7.1 | 7.1 | 7.1 | 7.8 | 7.8 |
| एच मॅक्स | 0.91 | 1.38 | 0.97 | 1.38 | 0.97 | 1.38 | 1.38 | 1.38 |
| एच मॅक्स | 9.85 | 9.85 | 11.45 | 11.45 | 11.45 | 11.45 | 14.55 | 14.55 |
| एच मि | 9.35 | 9.35 | 10.95 | 10.95 | 10.95 | 10.95 | 14.05 | 14.05 |
| के मॅक्स | 8.5 | 8.5 | 9.8 | 9.8 | 9.8 | 9.8 | 12.7 | 12.7 |
| डी 2 कमाल | 6.6 | 6.6 | 8.2 | 8.2 | 9 | 9 | 11.35 | 11.35 |
| डी 2 मि | 6.1 | 6.1 | 7.7 | 7.7 | 8.5 | 8.5 | 10.85 | 10.85 |
| डी 1 | एम 3 | एम 3 | एम 4 | एम 4 | एम 5 | एम 5 | एम 6 | एम 6 |
कार्बन स्टील सीलिंग क्लिंचिंग नट्स की मोजमापांद्वारे परिभाषित केले जातात: थ्रेड आकार (जसे की एम 4, एम 5, एम 6, किंवा 1/4 "-20), क्लिंच कॉलर व्यास, एकूण उंची, सीलिंग वॉशर परिमाण आणि ते कार्य करतात शीट जाडी (दोन्ही मिनिट आणि कमाल).
त्यांची क्लिंच सामर्थ्य (ते बाहेर ढकलले जाण्यापासून किंवा ट्विस्ट केल्याचा किती चांगला प्रतिकार करतात) ची चाचणी उद्योगाच्या मानकांविरूद्ध केली जाते (आयसो, दिन, आयएफआय विचार करा). योग्य आकार निवडणे ही एक मोठी गोष्ट आहे, हे सुनिश्चित करते की सील ठेवते आणि नोकरीसाठी नट पुरेसे मजबूत आहे.
कार्बन स्टील सीलिंग क्लिंचिंग नट स्थापित करण्यासाठी, आपल्याला एक विशेष क्लिन्चिंग टूल आणि डाई सेटची आवश्यकता आहे जे नटच्या आकाराशी अगदी जुळते. प्रथम, शीट मेटलमधील प्री-पंचच्या छिद्रात नट घाला. मग हे साधन नियंत्रित दबाव लागू करते, जे नटचे पायलट आणि नॉरल आजूबाजूच्या धातुमध्ये बुडवते. या कोल्ड-फॉर्मिंग प्रक्रियेमुळे स्टेनलेस स्टीलच्या नटला चांगल्या ठिकाणी लॉक होते आणि त्याच वेळी, ते पॅनेलच्या विरूद्ध अंगभूत सीलिंग वॉशर स्क्वाइश करते. हे असेच आहे की या काजूला अद्वितीय बनवणारे लीक-प्रूफ सील तयार करते.
