एक उच्च सामर्थ्य चेहरा प्रोजेक्शन वेल्डिंग बोल्ट हा एक विशेष प्रकारचा फास्टनर आहे जो मेटल चादरी किंवा संरचनेशी जोरदार आणि सहजपणे कनेक्ट करण्यासाठी केला जातो. त्यात धातूला स्पर्श करणार्या बाजूने अंदाजे - सामान्यत: रिंग्ज किंवा थोडे अडथळे आहेत आणि ते अचूक आकारात बनविले जातात.
जेव्हा आपण हे वेल्ड करता तेव्हा बरेच विद्युत वर्तमान या अंदाजांवर लक्ष केंद्रित करते. यामुळे तेथील धातू खरोखरच गरम होते, वितळते आणि नंतर जेव्हा ते थंड होते तेव्हा ते एक मजबूत वेल्ड बनवते. या वेल्डमध्ये आपण ज्या तुकड्यावर काम करत आहात त्या तुकड्यावर उच्च सामर्थ्य चेहरा प्रोजेक्शन वेल्डिंग बोल्ट आहे.
एक उच्च सामर्थ्य चेहरा प्रोजेक्शन वेल्डिंग बोल्टचे मुख्य कार्य म्हणजे वजन ठेवू शकणारा कायम, धागा-आधारित संलग्नक बिंदू तयार करणे. हे वेल्ड करण्यासाठी आपल्याला विशेष प्रोजेक्शन वेल्डिंग उपकरणे आवश्यक आहेत.
इलेक्ट्रोड्स खाली दाबतात आणि बोल्टच्या प्रोजेक्शनद्वारे आणि आपण ज्या धातूच्या तुकड्यांसह कार्य करीत आहात त्याद्वारे बरेच वीज पाठवतात. वेल्डिंग बोल्ट ज्या प्रकारे बनविला जातो त्याचा अर्थ केवळ अंदाज वितळतो - अधिक काहीही नाही. जेव्हा ते थंड करतात तेव्हा ते एक मजबूत धातूचे बंध तयार करतात आणि त्याच्या सभोवतालची धातू वाकलेली किंवा जास्त वेढत नाही.
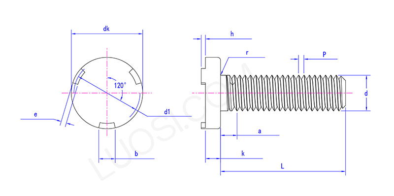
| सोम | एम 5 | एम 6 | एम 8 | एम 10 |
| P | 0.8 | 1 | 1.25 | 5 |
| डीके मॅक्स | 12.4 | 14.4 | 16.4 | 20.4 |
| डीके मि | 11.6 | 13.6 | 15.6 | 19.6 |
| के मॅक्स | 2 | 2.2 | 3.2 | 4.2 |
| के मि | 1.6 | 1.8 | 3.2 | 4.2 |
| आणि कमाल | 2.25 | 2.75 | 2.25 | 2.75 |
| ई मि | 1.75 | 2.25 | 1.75 | 2.25 |
| बी कमाल | 3.3 | 4.3 | 5.3 | 6.3 |
| बी मि | 2.7 | 3.7 | 4.7 | 5.7 |
| एच मॅक्स | 0.8 | 0.9 | 1.1 | 1.3 |
| एच मि | 0.6 | 0.75 | 0.9 | 1.1 |
| डी 1 कमाल | 10 | 11.5 | 14 | 17.5 |
| डी 1 मि | 9 | 10.5 | 13 | 16.5 |
| आर मि | 0.2 | 0.25 | 0.4 | 0.4 |
| आर कमाल | 0.6 | 0.7 | 0.9 | 1.2 |
| कमाल | 3.2 | 4 | 5 | 5 |

वेल्डेडच्या बाजूने उच्च शक्तीचा चेहरा प्रोजेक्शन वेल्डिंग बोल्टमध्ये थोडेसे वाढलेले भाग आहेत - सामान्यत: रिंग्ज किंवा लहान डेन्ट्स. जेव्हा आपण हे वेल्ड करता तेव्हा बर्याच विजेच्या वाढीव भागांवर लक्ष केंद्रित केले जाते. ते बेस मेटलच्या विरूद्ध लगेच वितळतात, तर इलेक्ट्रोड खाली दाबत आहे.
यामुळे बोल्ट चांगल्या प्रकारे ठेवणार्या मजबूत, घट्ट वेल्ड्स बनवतात. ते शीट मेटल जॉबसाठी उत्कृष्ट काम करतात.