60 ° चौरस डोके बोथट बोल्ट
      • 60 ° चौरस डोके बोथट बोल्ट60 ° चौरस डोके बोथट बोल्ट
      • 60 ° चौरस डोके बोथट बोल्ट60 ° चौरस डोके बोथट बोल्ट

      60 ° चौरस डोके बोथट बोल्ट

      60 ° स्क्वेअर हेड ब्लंट बोल्ट सहजपणे गोंधळ आणि संयुक्त मध्ये घातले जाऊ शकतात. झियाओजीओ कंपनीचे स्क्वेअर हेड बोल्ट खरेदी केल्याने आपल्याला समस्येचे निराकरण करण्यात मदत होऊ शकते. आमच्या किंमती सर्वात स्पर्धात्मक आहेत आणि आम्ही उत्पादनांच्या गुणवत्तेची हमी देऊ शकतो. GOST 21249-1-1996 चे मानक पूर्ण करण्यासाठी प्रत्येक बोल्टमध्ये एकाधिक तपासणी केल्या आहेत.
      मॉडेल:GOST 21249-1-1996

      चौकशी पाठवा

      उत्पादन वर्णन

      60 ° चौरस डोके बोथट बोल्टशीर्षस्थानी चौरस डोके आणि 60 ° बोथट पृष्ठभाग (तीक्ष्ण नाही) असलेले बोल्ट आहेत. हे मुख्यतः दोन किंवा अधिक वस्तू एकत्रितपणे स्क्रू करण्यासाठी आणि त्यास निराकरण करण्यासाठी वापरले जाते, जसे की यांत्रिक किंवा उपकरणांच्या स्थापनेमध्ये, सुलभ साधन घट्ट करण्यासाठी चौरस डोक्यावर अवलंबून असते आणि एक बोथट डोके लोकांना किंवा ऑब्जेक्ट स्क्रॅच करण्यास घाबरत नाही. आमच्या फॅक्टरीद्वारे उत्पादित बोल्ट टिकाऊ असतात. त्यांचे कनेक्शन खूप दृढ आणि सुरक्षित आहे. तर आपण आमच्या उत्पादनांच्या गुणवत्तेबद्दल खात्री बाळगू शकता.


      उत्पादन तपशील 

      60 ° चौरस डोके बोथट बोल्टडगमगलेल्या सायकल ट्रायपॉड्सचे निराकरण करण्यासाठी वापरले जाऊ शकते. बोथट डोके सायकल फ्रेम स्क्रॅच करणार नाही आणि 60 ° डोके प्रमाणित रेंचच्या संयोगाने वापरले जाऊ शकते. फ्रेम, 60 ° हेड मानक रेन्चेसच्या संयोगाने वापरले जाऊ शकते. फक्त एकदाच घट्ट करा आणि सायकल चालवताना टिपणार नाही.

      या बोल्टचा वापर डाग असलेल्या गॅरेज वर्कबेंचचे निराकरण करण्यासाठी केला जाऊ शकतो. ते लेग जोडांना मजबुती देऊ शकतात. बोथट डोके मेटल ब्रॅकेटसह फ्लश आहे आणि चौरस डोके प्रभावीपणे हातोडा आणि सरकण्यापासून प्रतिबंधित करू शकते. स्थापनेनंतर, आपण आपले कार्य पूर्ण करण्यासाठी वर्कबेंच सुरक्षितपणे आणि शांततेसह वापरू शकता आणि ते यापुढे डगमगणार नाही.

      आपण देखील वापरू शकता60 ° चौरस डोके बोथट बोल्टमैदानी टेरेस आणि मंडपांचे निराकरण करण्यासाठी. बेव्हल जोडांचे निराकरण करण्यासाठी त्यांचा वापर केल्याने लाकूड क्रॅक होऊ शकत नाही. बोथट डोके तीक्ष्ण कडा टाळू शकतात आणि ते स्थापित करणे सोपे आणि सोयीस्कर आहे.


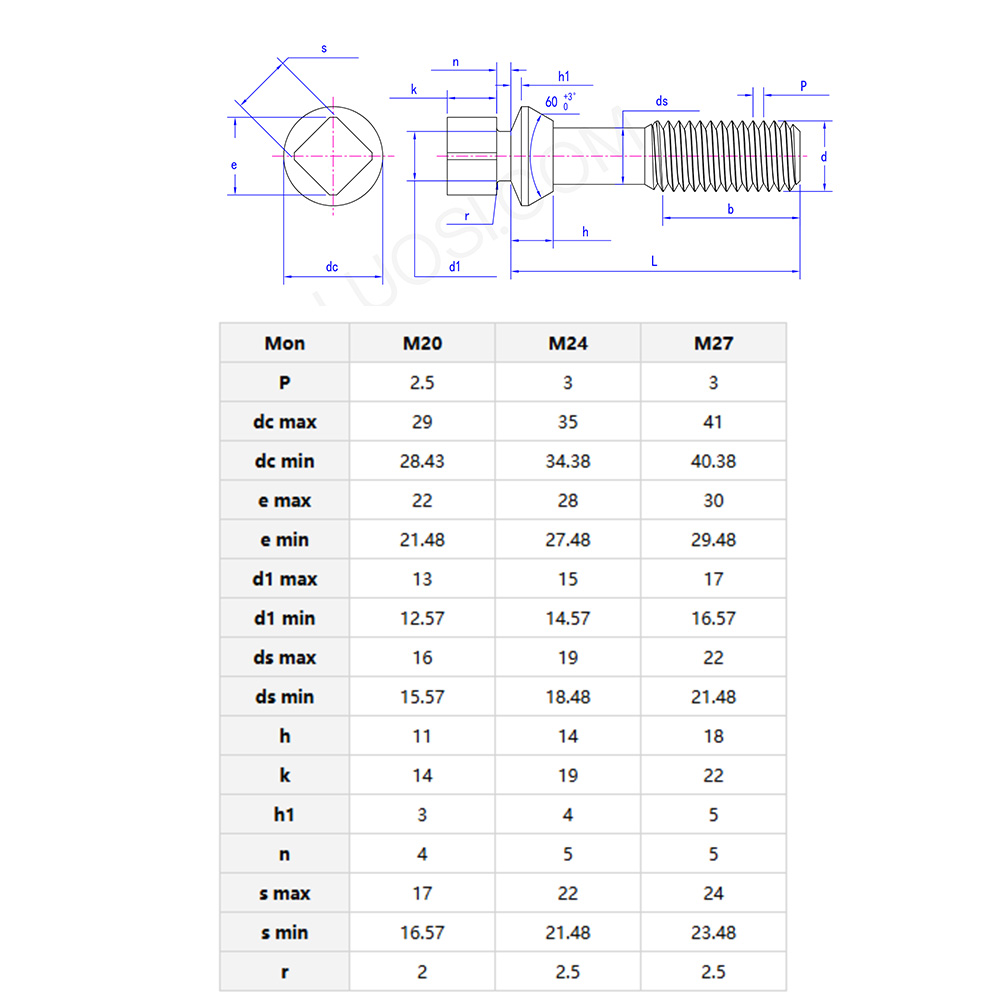
      60°Square head blunt bolts parameters

      उत्पादन वैशिष्ट्य

      60 ° बेव्हल चे60 ° चौरस डोके बोथट बोल्टरेंच आणि बोल्ट हेडला अधिक चांगले फिट होण्यासाठी सक्षम करते आणि जोरदारपणे कडक करताना आपण घसरण्याची शक्यता कमी आहे. ते हार्ड-टू-ऑपरेट कोपरे आणि क्रेव्हिसमध्ये वापरले जाऊ शकतात आणि ते सहजपणे बोल्ट घट्ट करू शकतात. त्याचे बोथट डोके खूप व्यावहारिक आहे. जरी ते चुकून स्थापनेदरम्यान इतर भागांना स्पर्श करते, तरीही ते कोणतेही स्क्रॅच सोडणार नाही. ते प्लास्टिकच्या कॅसिंग्ज आणि काचेच्या पॅनेलवर बसविण्यासाठी योग्य आहेत.

      हॉट टॅग्ज: 60 -स्क्वेअर हेड ब्लंट बोल्ट, चीन, निर्माता, पुरवठादार, फॅक्टरी
      संबंधित श्रेणी
      चौकशी पाठवा
      कृपया खालील फॉर्ममध्ये तुमची चौकशी करण्यास मोकळ्या मनाने द्या. आम्ही तुम्हाला २४ तासांत उत्तर देऊ.
      X
      We use cookies to offer you a better browsing experience, analyze site traffic and personalize content. By using this site, you agree to our use of cookies. Privacy Policy
      Reject Accept